Тема 3. Электронные усилители и генераторы: классификация, основные параметры и характеристики.
Назначение, классификация и основные параметры усилителей
Усилители служат для преобразования электрических сигналов по величине. Они являются наиболее универсальными электронными устройствами и в той или иной форме используются практически в любых электронных системах. На рисунке 3.8, а дано общее функциональное обозначение усилителя.
Классификация усилителей электрических сигналов проводится:
- по виду используемых активных элементов: усилители электронные, магнитные, оптико-электронные и т.п.;
- виду основного усиленного сигнал: усилители напряжения, тока или мощности;
- связи между каскадами: усилители с непосредственными связями, реостатные или резистивные, резистивно-емкостные (RC-усилители), трансформаторные, резистивно-трансформаторные;
- способу усиления: усилители непосредственного (прямого) усиления и усилители с преобразованием спектра усиливаемого сигнала (усилители типа МДМ, модемы);
- характеру зависимости между входным и выходным сигналами: усилители линейные и нелинейные (с отсечкой, логарифмические и т.п.);
- полосе пропускания: усилители широкополосные или видеоусилители, звуковые, узкополосные, усилители постоянного тока.
В общем виде усилитель может быть представлен в виде четырехполюсника (рисунок 3.8, б), на вход которого подан сигнал от внешнего источника с Евх и внутренним сопротивлением Rи, а к выходу подключена внешняя нагрузка Rн.

а) б)
Рисунок 3.8 - Общее функциональное обозначение усилителя (а),
схема замещения усилителя четырехполюсником
Входными параметрами усилителя являются напряжение Uвх, ток Iвх, сопротивление Rвх и мощность Рвх, а выходными параметрами — напряжение Uвых, ток Iвых, сопротивление Rвых и мощность Рвых.
Проходные параметры усилителя — коэффициенты усиления по напряжению
,
току
,
по мощности
.
В ряде случаев коэффициенты усиления выражают в логарифмических единицах - децибелах (дБ):
KU = 20 lg(UВЫХ/UBX);
|
|
KI = 20 lg (IВЫХ/IВХ); |
(3.1) |
KP = 10 lg (PВЫХ/PВХ).
Логарифмические единицы удобны тем, что если известны коэффициенты усиления отдельных каскадов или узлов усилителя, общий коэффициент усиления которого равен произведению этих коэффициентов, то его находят как алгебраическую сумму логарифмических коэффициентов усиления отдельных каскадов.
Отношение наибольшего допустимого значения входного напряжения к его наименьшему допустимому значению называют динамическим диапазоном:
|
|
D = UВХ max/UВХ min; D(дБ) = 20lg (UВХ max/UВХ min). |
(3.2) |
Введение коэффициента D, характеризующего динамический диапазон, необходимо потому, что максимально допустимое входное напряжение усилителя ограничено искажениями сигнала, вызванными выходом рабочих точек усилительных каскадов за пределы линейного участка характеристики.
В общем случае параметры усилителя - величины комплексные. При работе усилителя с характерными для измерительных устройств сигналами средних частот 1...3 кГц влияние реактивных элементов пренебрежительно мало и параметры можно считать действительными. При анализе цепей на нижних и средних частотах используют модули параметров и их зависимости от частоты.
Частотная характеристика усилителя - это зависимость модуля коэффициента усиления по напряжению К от частоты f (рисунок 3.9). Идеальная характеристика - горизонтальная в диапазоне частот fн...fв, который называют полосой пропускания усилителя. Реальная характеристика имеет завалы, которые вызываются влиянием реактивных элементов главным образом в цепях межкаскадной связи.

Рисунок 3.9 - Частотная характеристика усилителя
Амплитудная характеристика - зависимость между выходным Uвых и входным Uвх напряжениями (рисунок 3.10, а) Идеальная характеристика линейного усилителя - прямолинейная. Реальная характеристика при больших сигналах - нелинейная.
Фазовая характеристика - зависимость утла сдвига фаз между входным и выходным напряжениями j от частоты f. На средних частотах j (f0) фазовый сдвиг отсутствует. Влияние реактивных элементов искажает фазовую характеристику (рисунок 3.10, б).

а) б)
Рисунок 3.10 - Амплитудная (а) и фазовая (б) характеристики усилителя
Выходная мощность характеризуется номинальной выходной мощностью. Под ней понимают мощность на выходе усилителя при работе на расчетную нагрузку и заданном коэффициенте гармоник или нелинейных искажений.
Коэффициент полезного действия представляет собой отношение выходной мощности, отдаваемой усилителем в нагрузку, к общей мощности, потребляемой от источника питания: h = РВЫХ/РО. Он характеризует энергетические показатели усилителя.
Рабочий диапазон частот (полоса пропускания, диапазон пропускаемых частот и т. д.) - полоса частот от низшей рабочей частоты fн до высшей рабочей частоты fв, в пределах которой коэффициент усиления или коэффициент преобразования усилителя не выходит за пределы заданных допусков. Это касается как модуля, так и фазы коэффициента усиления, так как последний обычно бывает комплексным из-за влияния реактивных элементов.
Если к усилителю не предъявляются какие-либо специальные требования, то рабочий диапазон частот определяют на уровне 3 дБ. Это диапазон от низшей частоты fн, на которой коэффициент усиления уменьшается относительно своего значения на средней частоте на 3 дБ (в 1,41 раза), до высшей fв, на которой коэффициент усиления также уменьшается на 3 дБ.
Нелинейные искажения обусловлены нелинейностями амплитудной характеристики усилителя. Количественно их оценивают или коэффициентом нелинейных искажений Кни, или коэффициентом гармоник Кг.
Коэффициент нелинейных искажений определяется корнем квадратным из отношения мощностей всех высших гармоник выходного сигнала, появляющихся в результате нелинейных искажений, к полной выходной мощности:
|
|
|
(3.3) |
Коэффициент гармоник представляет собой корень квадратный из отношения мощностей всех высших гармоник выходного сигнала, появляющихся в результате нелинейных искажений, к мощности первой гармоники:
|
|
|
(3.4) |
где Рn − мощность n-й гармонической составляющей выходного сигнала; Unm, Inm − амплитуды напряжений и тока n-й гармонической составляющей выходного сигнала.
Коэффициент усиления многокаскадного усилителя представляет собой сумму коэффициентов усиления каскадов (в дБ):
|
|
K=K1 + K2 + K3 + ... + Кn. |
(3.5) |
Операционные усилители
Операционными усилителями (ОУ) называют высококачественные усилители постоянного тока (УПТ), предназначенные для выполнения различных операций над аналоговыми величинами при работе в схеме с отрицательной обратной связью.
Операционные усилители (ОУ) нашли применение в электронной аппаратуре за счет своей универсальности и многофункциональности. Электрические схемы ОУ весьма разнообразны. Операционные усилители делятся на усилители с одним или двумя входами. По способу компенсации дрейфа нуля различают ОУ с параметрической компенсацией дрейфа нуля, с преобразованием сигнала, с автоматической коррекцией дрейфа нуля. В усилителях с непосредственными связями компенсация дрейфа нуля осуществляется за счет построения входных каскадов по симметричной, балансной или дифференциальной схеме. В усилителях с преобразованием сигнала для усиления постоянной составляющей используется усилитель с импульсной стабилизацией типа «модуляция - усиление - демодуляция». Усилители с автоматической коррекцией дрейфа нуля подразделяются на усилители с периодической и непрерывной коррекцией дрейфа нуля.
Наиболее широкое распространение получили ОУ без преобразования сигнала, где входной каскад построен по дифференциальной схеме. Этот тип ОУ состоит из трех каскадов: дифференциального усилителя, схемы смещения уровня напряжения, выходного усилителя мощности.
Простой дифференциальный каскад построен на трех транзисторах (рисунок 3.15, а). Транзистор VT3 работает в режиме генератора тока. Коллекторный ток этого транзистора задастся стабильным напряжением на делителе R1, R2 и сопротивлением R3. При равенстве U1вх = U2вх ток транзистора VT3 — I3 раздваивается и протекает равными частями через транзисторы VTI и VT2. В коллекторах этих транзисторов устанавливается напряжение U1вых = U2вых = Е1 –R1кI3/2 = Е1 –R2кI3/2. Напряжения U1вых и U2вых делают равными Е1/2. В зависимости от соотношения между U1вх и U2вх выходные напряжения меняются, как показано на рисунке 3.15, б. Схема смещения уровня постоянного напряжения, которое устанавливается в коллекторах транзисторов дифференциального каскада, показана на рисунке 3.15, в. В базе транзистора VT2 устанавливается напряжение Е2/2. Через этот транзистор протекает ток IЭ = Е2/2R4. В эмиттере транзистора VTI от предыдущего каскада подается напряжение Uк = Е1/2 (положительной полярности). Коллекторный ток транзистора VT2 Iк = Iэ создает падение напряжения на резисторе R3Iк = Е1/2. В результате напряжение положительной полярности эмиттера VTI полностью падает на резисторе R3. Напряжение Uc будет равняться нулю.

а - электрическая схема, 6 - переключательная характеристика; в - каскад со смещением постоянного уровня напряжения, г - двухтактный усилитель мощности, д - графическое обозначение операционного усилителя: 1 - инвертирующий вход; 2 - неинвертирующий вход; 3 - подключение «положительного» источника питания, 4 - подключение «отрицательного» источника питания; 5 - выходной сигнал, 6, 7 - подключение цепей; е - АЧХ операционного усилителя
Рисунок 3.15 - Дифференциальный усилитель
Выходной каскад ОУ построен на сдвоенном эмиттерном повторителе. Когда напряжение Uc делается положительным, открывается транзистор VT1 и обеспечивает выходной ток. Для отрицательной полярности Uc открывается транзистор VT2 и обеспечивает выходной ток (рисунок 3.15, г).
Схема операционного усилителя изображена на рисунке 3.15, д. Частотная характеристика ОУ приведена на рисунке 3.15, е.
Параметры и характеристики операционных усилителей
Операционный усилитель является сложным электронным устройством, правильное применение которого зависит от понимания особенностей его работы и знания основных параметров. Ниже приводятся основные параметры ОУ, характеризующие его работу.
Напряжение смещения нуля Uсм - это потенциал на выходе усилителя при нулевом входном сигнале, который поделен на коэффициент усиления усилителя. Данный параметр показывает, какой источник напряжения необходимо подключить к входу ОУ для того, чтобы на выходе получить Uвых = 0 (составляет 0,5-0,15мВ).
Входные токи обусловлены необходимостью обеспечить нормальный режим работы входного дифференциального каскада на биполярных транзисторах. Если в дифференциальном каскаде используются полевые МДП-транзисторы, то это токи утечек.
Разность входных токов DIвх = равна разности значений токов, протекающих через входы ОУ при заданном значении выходного напряжения, и составляет 0,1-200нА.
Входное сопротивление Rвх (сопротивление между входными выводами) равно отношению приращения входного напряжения к приращению входного тока на заданной частоте сигнала. Оно определяется для области низких частот. В зависимости от характера подаваемого сигнала входное сопротивление бывает дифференциальное (для дифференциального сигнала) и синфазное (для синфазного сигнала).
Дифференциальное входное сопротивление - это полное сопротивление со стороны любого входа, когда другой вход соединен с общим выводом; составляет десятки килоом - сотни мегаом. Такое большое Rвх получается за счет входного ДУ.
Синфазное входное сопротивление - это сопротивление между замкнутыми выводами входов и землей. Оно характеризуется изменением среднего входного тока при приложении к входам синфазного сигнала и на несколько порядков выше Rвх. диф.
Коэффициент ослабления синфазного сигнала КОСС определяется как отношение напряжения синфазного сигнала, подаваемого на оба входа, к дифференциальному входному напряжению, вызывающему такое же значение выходного напряжения. Коэффициент ослабления показывает, во сколько раз коэффициент усиления дифференциального сигнала больше коэффициента усиления синфазного входного сигнала, и составляет 60-120 дБ.
Выходное сопротивление Rвых определяется отношением приращения выходного напряжения к приращению активной составляющей выходного тока при заданном значении частоты сигнала и составляет единицы-сотни Ом.
Температурный дрейф напряжения смещения равен отношению максимального изменения напряжения смещения к вызвавшему его изменению температуры и оценивается в мкВ/град.
Температурные дрейфы напряжения смещения и входных токов являются причиной температурных погрешностей устройств ОУ.
Коэффициент влияния нестабильности источника питания на выходное напряжение показывает изменение выходного напряжения при изменении напряжения питания на 1 В и оценивается в мкВ/В.
Максимальное выходное напряжение Uвых.mах определяется предельным значение выходного напряжения ОУ при заданном сопротивлении нагрузки и напряжении входного сигнала, обеспечивающем стабильную работу ОУ. Uвых.mах на 1-5 В ниже напряжения питания.
Максимальный выходной ток Iвых.mах ограничивается допустимым коллекторным током выходного каскада ОУ.
Потребляемая мощность - мощность, рассеиваемая ОУ при отключенной нагрузке.
Частота единичного усиления f1 - это частота входного сигнала, при котором коэффициент усиления ОУ равен единице.
Частота среза fC ОУ - частота, на которой коэффициент усиления снижается в Ö2 раз. Она определяет полосу пропускания ОУ и составляет десятки мегагерц.
Максимальная скорость нарастания выходного напряжения определяется наибольшей скоростью изменения выходного напряжения ОУ при действии на входе импульса прямоугольной формы с амплитудой, равной максимальному значению входного напряжения, и лежит в пределах 0,1-100 В/мкс. Этот параметр характеризует быстродействие ОУ в режиме большого сигнала.
Время установления выходного напряжения tycт (время затухания переходного процесса) - это время, необходимое для возвращения усилителя из состояния насыщения по выходу в линейный режим.
Напряжение шумов, приведенное ко входу, определяется действующим значением напряжения на выходе усилителя при нулевом входном сигнале и нулевом сопротивлении источника сигнала, деленным на коэффициент усиления ОУ. Обычно задается спектральная плотность шумов, которая оценивается как корень квадратный из квадрата приведенного напряжения шума, деленного на частоту, в которой выполнено измерение напряжения шума.
Требования, предъявляемые к параметрам ОУ, зависят от выполняемых им функций. Желательно во всех практических случаях уменьшить погрешность выполняемых операций, повысить надежность, быстродействие. Одновременное улучшение всех параметров выдвигает противоречивые требования к схеме и ее изготовлению. Все это объясняется большим разнообразием ОУ, у которых оптимизированы лишь конкретные параметры за счет ухудшения других. Так, в измерительной аппаратуре используются прецизионные ОУ, обладающие большим коэффициентом усиления, большим входным сопротивлением, малым напряжением смещения нуля и малыми шумами. А быстродействующие ОУ должны обладать большой скоростью нарастания выходного напряжения, большой полосой пропускания и малым временем установления выходного напряжения. Такие ОУ нашли применение в импульсных и широкополосных усилительных устройствах и в устройствах аналого-цифровых преобразователей.
Для создания компараторов, которые служат для сравнения мгновенных значений двух напряжений, используются скоростные ОУ, работающие в режиме переключения.
Схемы с использованием операционных усилителей
Усилители на ОУ используют отрицательную обратную связь (ООС), поэтому:
1. ОУ усиливает разность напряжения между входами и за счет внешней схемы ООС передает напряжение с выхода на вход таким образом, что разность напряжений между входами практически равна нулю.
2. Входы операционного усилителя токов не потребляют. Входное сопротивление различных типов ОУ находится в пределах от мегаом до тысяч мегаом, входные токи - от долей наноампер до пикоампер.
На основе операционных усилителей строят функциональные узлы, предназначенные для выполнения математических операций (рисунок 3.16): повторитель (а), интегратор (б), дифференциатор (в), сумматор (г) и другие.

Рисунок 3.16 - Функциональные узлы на основе операционных усилителей
Кроме этого, операционные усилители часто используют при конструировании компараторов, генераторов гармонических колебаний и сигналов различной формы, избирательных усилителей, аналого-цифровых и цифроаналоговых преобразователей и других устройств.
Электронные генераторы.
Электронными генераторами называются устройства, преобразующие электрическую энергию источника постоянного тока (источника питания) в энергию электрических колебаний заданных формы и частоты.
Классификация электронных генераторов:
1) по форме выходных сигналов:
- синусоидальных сигналов;
- сигналов прямоугольной формы (мульти-вибраторы);
- сигналов линейно изменяющегося напряжения (ГЛИН) или их еще называют генераторами пилообразного напряжения;
- сигналов специальной формы.
2) по частоте генерируемых колебаний (условно):
- низкой частоты (до 100 кГц);
- высокой частоты (свыше 100 кГц).
3) по способу возбуждения:
- с независимым (внешним) возбуждением;
с самовозбуждением (автогенераторы).
Генератор, работающий в режиме автоколебаний, обычно называют автогенератором. Выходное переменное напряжение на его выходе формируется сразу после подключения напряжения питания и не требует для начала работы подачи внешнего управляющего воздействия.
Генераторы, работающие в режиме запуска внешними импульсами, после подключения источника питания могут сколь угодно долго находиться в устойчивом состоянии, не формируя выходное переменное напряжение. При подаче управляющего сигнала на вход такого генератора, на его выходе формируется выходной сигнал, параметры которого полностью определяются собственными характеристиками устройства. Такой режим работы называют ждущим или заторможенным. Большое распространение получили заторможенные мультивибраторы - одновибраторы.
Автогенераторный режим работы применяется в устройствах, используемых в основном в качестве задающих генераторов, а ждущий - в устройствах, преобразующих форму импульсов к требуемому виду.
Электронные генераторы применяются в радиовещании, медицине, радиолокации, входят в состав аналого-цифровых преобразователей, микропроцессорных систем и т. д.
Схемы, которые генерируют сигналы, в зависимости от типа сигнала и применения: задающий генератор, функциональный генератор, тактовый генератор, генератор импульсов.
Задающий генератор вырабатывает синусоидальный сигнал с частотой от нескольких килогерц до многих гигагерц. применяется в измерительной технике, коммуникационных системах (радио и телеприемники, мобильная и беспроводная связь).
Функциональные генераторы вырабатывают синусоидальные, треугольные и прямоугольные волны с частотой в килогерцовом диапазоне. Чаще всего такие генераторы применяются в электронных измерительных устройствах.
Тактовый генератор вырабатывает прямоугольные сигналы, частота которых обладает стабильностью и точностью. Применяется в компьютерных системах для синхронизации процессов.
Генератор импульсов вырабатывает двухуровневые прямоугольные сигналы, как и тактовый генератор, но все параметры сигнала можно изменять в процессе работы. Применяются они в основном в измерительном оборудовании при настройке, испытании, тестировании приборов и систем.
Строятся генераторы на основе транзисторов, операционных усилителей и компараторов. Генераторы сигналов прямоугольной формы строятся также на основе логических элементов.
Основные принципы построения
Схемы электронных генераторов строятся по тем же схемам, что и усилители, только у генераторов нет источника входного сигнала, его заменяет сигнал положительной обратной связи (ПОС).

Необходимая форма сигнала обеспечивается структурой цепи обратной связи.
Для задания частоты колебаний цепи ОС строятся на LC или RC-цепях (частоту определяет время перезаряда конденсатора) или кварцевых резонаторов, если необходима высокая стабильность.
Сигнал, сформированный в цепи ПОС, поступает на вход усилителя, усиливается в К раз и поступает на выход. При этом часть сигнала с выхода возвращается на вход через цепь ПОС, где ослабляется в К раз, что позволят поддерживать постоянную амплитуду выходного сигнала генератора.
Обобщенная модель генератора представляет собой усилительный каскад, охваченный цепью ПОС.

Для возникновения колебаний в данной системе необходимо выполнение условия баланса амплитуд и баланса фаз:
![]()
![]()
где jу и jос - фазовые сдвиги, вносимые усилителем и цепью ОС соответственно;
n - целое число.
Для получения на выходе генератора синусоидального напряжения достаточно, чтобы данные условия выполнялись только на одной частоте.
Следовательно, генератор гармонических колебаний должен содержать по крайней мере одну частотно-избирательную цепь, которая бы обеспечивала выполнение условия самовозбуждения на заданной частоте. В зависимости от вида частотно-избирательной цепи, использующейся в генераторе, генератор относят к тому или иному типу.
Генераторы синусоидальных сигналов
Существует множество видов и разновидностей схем генераторов синусоидальных сигналов.
Выбор той или иной схемы определяется требуемой частотой генерации и коэффициентом гармоник в выходном напряжении.
Наиболее распространённые схемы генераторов:
- с мостом Вина;
- на фазосдвигающих цепочках;
- квадратурный.
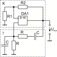
Генераторы с мостом Вина
Генератор с мостом Вина является наиболее популярной среди схем RC-генераторов. Она обладает достаточно хорошей стабильностью частоты и может давать очень малые искажения, кроме того, фильтр легко перестраивается.

При частоте входного сигнала моста Вина, равной резонансной частоте:
![]()
напряжение на выходе UВЫХ равно нулю (при ненулевом входном напряжении UBX). Включая мост Вина в цепь ОС усилителя, можно получить генератор гармонических колебаний.
Поэтому реально мост работает с некоторым рассогласованием, при котором изменяются указанные на схеме соотношения сопротивлений в резистивном плече моста.
Для генераторов гармонических колебаний важной проблемой является автоматическая стабилизация амплитуды выходного напряжения. Если в схеме не предусмотрены устройства автоматической стабилизации, устойчивая работа генератора окажется невозможной. В этом случае после возникновения колебаний амплитуда выходного напряжения начнет постепенно увеличиваться, что приведет к насыщению операционного усилителя. В результате выходное напряжение генератора будет отличаться от гармонического. Один из способов устранения этого эффекта предполагает включение в цепь ООС нелинейных элементов.
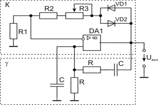
Генератор с мостом Вина на ОУ со стабилизацией амплитуды

Автоматическую стабилизацию амплитуды, обеспечивают диоды VD1 и VD2.
Если по каким-либо причинам амплитуда напряжения на выходе UВЫХ увеличилась, то увеличится ток, проходящий через диоды. Это приведет к тому, что у каждого диода уменьшится дифференциальное сопротивление, и сопротивление на постоянном токе для соответствующих моментов времени. Это эквивалентно уменьшению сопротивления в цепи между выходом ОУ и его инвертирующим входом. Это приводит к уменьшению коэффициента усиления усилителя на ОУ, охваченного ООС. В результате выходное напряжение уменьшится, возвратившись к исходному значению. Назначение переменного резистора – регулирование амплитуды выходного напряжения.
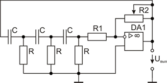
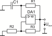
Генераторы с RC-фазосдвигающими цепочками
Генераторы на фазосдвигающей цепочке имеют меньшие искажения и большую стабильность частоты, чем генераторы с мостом Вина.

Чтобы получить колебания, необходима фазосдвигающая цепь, поскольку усилитель дает сдвиг фазы выходного сигнала относительно входного 180°. Следовательно, для получения ПОС внешняя цепь (три цепочки RC) должна сдвигать фазу еще на 180°. Трехступенчатый фильтр дает такой сдвиг фаз на частоте
![]()
Это обеспечивает условие баланса фаз.
В связи с избыточностью коэффициента усиления ОУ условие баланса амплитуд обеспечивается без затруднения.
Большое входное и малое выходное сопротивления ОУ позволяют осуществить режим практически идеального согласования фазирующей цепи с усилительным звеном.
Коэффициент ослабления трехзвенной RC-цепочки на частоте резонанса составляет 1/29, следовательно, для поддержания колебаний усилителю необходимо иметь коэффициент усиления не менее 29.
Увеличение рабочей частоты ограничено частотными свойствами применяемого ОУ.
Искажения в схеме составляют всего 0.46%, что значительно меньше, чем у генератора с мостом Вина без стабилизации амплитуды.
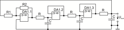
Генератор на фазосдвигающих цепочках с буферными усилителями
Недостатком предыдущей схемы является наличие взаимодействия между звеньями фазосдвигающей цепи.

Буферы здесь изолируют RC- звенья от взаимодействия друг с другом, и поэтому реальные параметры такого генератора намного ближе к расчётным значениям.
Если применить четвёртый ОУ в качестве буфера для третьего RС-звена, характеристики генератора станут идеальными.
В рассматриваемой схеме самая чистая синусоида имеется на выходе третьего RС-звена. Этот выход высокоомный, и вход следующего каскада должен также иметь высокое входное сопротивление для предупреждения сдвига частоты генерации при изменении этой нагрузки.
Генераторы сигналов специальной формы. Мультивибраторы
Генераторы прямолинейной формы или автоколебательный мультивибратор.
Наиболее простые схемы на основе ОУ охваченного ООС и ПОС. Причем ПОС по своему действию во времени должна быть опережающей по отношению к ООС. Тогда цепь ПОС обеспечивает лавинообразный переход из одного состояния в другое, а цепь ООС (совместно с ПОС) ограничивает время пребывания устройства в каждом из состояний.

ПОС выполнена на основе резистивного делителя R2, R3 (триггер Шмитта) и цепь ООС содержит пассивный интегратор R1, С1.
Так как опорное напряжение триггера равно нулю, то напряжение верхнего порогового уровня будет равно

а нижнего порога переключения триггера


Частота выходных импульсов мультивибратора зависит от постоянной времени интегрирующей цепочки R1C1, а также от ширины петли гистерезиса и в общем случае определяется следующим выражением:

При

В случае равенства сопротивлений резисторов в цепи ПОС R2 и R3 соотношения будут выглядеть следующим образом

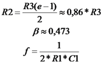
Генератор сигналов треугольной формы
Схемы, генерирующие сигнал линейно-нарастающей треугольной или пилообразной формы содержат конденсатор, заряжающийся неизменным током.

Напряжение ЕВХ и резистор R1 задают ток I = ЕВХ /R1.

где UВЫХ; ЕВХ , (В); R1, (Ом); С1, (фарады); t, (сек).
Для получения сигнала определенной формы необходимо изменять периодически полярность входного напряжения ЕВХ.
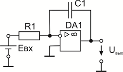
Подключив выход генератора линейно-изменяющегося напряжения ко входу компаратора (триггер Шмитта), а выход компаратора – ко входу генератора получим схему генератора напряжения треугольной формы.

Генератор треугольного напряжения состоит из триггера Шмитта на ОУ DA1 и резисторах R1, R2 и R3, а также интегратора на ОУ DA2 и резисторах R4, R5 и конденсатора С1. С вывода «UВЫХ 2» снимают треугольные импульсы, с вывода «UВЫХ 1» можно снимать прямоугольные импульсы. Резисторы R3 и R5 служат для компенсации напряжения смещения ОУ и в случае, когда нет необходимости в сильной симметрии импульсов их можно заменить перемычками.

Графики выходных напряжений генератора треугольных импульсов: на выходе триггера Шмитта (верхний) и на выходе интегратора (нижний).
Амплитуда выходного треугольного напряжения, (UВЫХ 2) будет равна величине гистерезиса триггера Шмитта

Период нарастания tН напряжения и период спада tС определяется следующими выражениями:

Пороговые уровни триггера Шмитта при опорном напряжении равном нулю (UОП = 0 В) определяются следующими выражениями:

Период и частота треугольного напряжения

Задания для СРС
1 Классификация усилителей.
2 Устройство и принцип действия ОУ.
3 Какие основные параметры и характеристики ОУ?
4 Приведите примеры использования ОУ в устройствах, выполняющих различные математические операции.
5 Принципы построения электронных генераторов.
6 Классификация генераторов.
7 Генераторы синусоидальных колебаний.
8 Генераторы сигналов специальной формы. Мультивибраторы.
9 Применение генераторов в вычислительной технике.