Дәріс 7. Үшфазалы электр тізбектері
7.1. Үшфазалық симметриялық электр қозғаушы куштер жүйесі
Көбнесе электр энергия тасымалдауы және таратулы үшін синусоидалы токттың үш фазалық тізбектерінде қолданылады. Үш фазалы энергия көздері мен жүктемелердің линиялық сымдар арқылы жалғанған жиынтығын үшфазалы электр тізбегі деп аталады. Осындай энергия көзі ретінде үшфазалы синхронды генераторларды пайдаланады.
Синхронды генератордың статорында (болаттан
жасалған қозғалмайтын өзекше) бір-бірінен 120 градусқа ығысқан А, В, С
фазалары деп аталатын үш орама орналасқан. Статордын ішінде тұрақты жылдамдықпен
айналатын роторында (болаттан жасалған айналатын өзекше), тұрақты ток көзіне
косылған қоздыру орама орналасқан. Бұл орамада жүретін тұрақты ток қоздыру
магнит өрісті туғызады. Ротор қозғалтқыш (немесе турбина) арқылы тұрақты
жылдамдықпен айналу кезде (ω = const), магнит
өрісі бірге айналадыда статор фазалардын орамдарын кезекпен-кезек
қиып кетеді. Электромагниттік индукция құбылыс бойынша, бұл жағыдайда А,
В, С фазалар орамдарында жиіліктері бірдей және амплитудалары тең, фазалары
бойынша
=
120°- бұрышқа немесе
- периодқа
ығысқан, синусоидалы ЭҚК-і индукцияланады. Үш ЭҚК-нің мұндай жүйесін симметриялық
деп атайды (сур.7.1).

а) б)
Сур. 7.1. Үшфазалық симметриялық ЭҚК-тер жүйесінің графигі (а)
және векторлық диаграмма (б)
Генератордың фазалық орамаларының ЭҚК-тердің мәндері тең:
eA=
Em
* sin ωt
eB=
Em
* sin (ωt
- 120°) = Em
* sin (ωt
-
)
(7.1)
eС=
Em
* sin (ωt
+ 120°) = Em
* sin (ωt
+
)
Комплексті формада ЭҚК-тердің әсерлік мәндерін пайдалу ынғайлы:
ĖА
= E e j0= E
ĖB = E
=
E*
[cos(-
)
+ j sin(-
)]
= E (-
)
(7.2)
ĖC
= E
=
E*
(cos
+
j sin
)
= E (-
)
Электр қозғаушы күштерінің лездік мәндерінің алгебралық қосындысы
eA+ eB + eС
= Em * sin ωt
+ Em * sin (ωt
-
) + Em
* sin (ωt
+
) = 0 нөльге
тең. Осыған сәйкес олардың векторлық қосындысы нөльге тең, демек:
ĖА + ĖB + ĖC = 0.
7.2. Үшфазалы тізбектің жұлдызша қосылысы
Үш фазалық генератордың әрбір орамын энергияны тұтынушыға жекелеп қосуға болады, демек, бұл жағдайда үш бір-бірінен тәуелсіз фазалық тізбек алынады (сур.3.2).

Сур. 7.2. Фазалары бір-бірінен тәуелсіз алты сымдық схемасы
Әр-бір фазалық ЭҚК-ін оң бағыты генератордың орамдарының «басы» (А, В, С) және «соңы» (X, Y, Z) әріптермен белгіленеді. Практикада мүндай бір-бірімен байланасы жоқ тізбектер қолданылмайды, себебі үш бөлек тізбектер үшін алты сым өткізгіші керек. Генератордың орамдарын жұлдызша қосудын нәтижесінде алты сымды төрт не үш сымға дейін азайтуға болады.
Жұлдыз схемасы бойынша біріктіру кезінде, үш фазалы генератордың орамаларының соңғы ұштарын біріктіріп N түйінге қосады, ал үш жүктеме фазаларының соңғы ұштары біріктіріліп n түйінге қосылады (сур.7.3). N және n түйіндердін нейтраль түйін деп атайды, ал бұларды қосатын сымды нейтраль (немесе нөльдік) сым деп атайды.

Сур. 7.3. Үшфазалы тізбектін жұлдызша қосылысы
Нөльдік сыммен сым желілері арасындағы ŮА, ŮB, ŮC – фазалық кернеулер деп атайды. Сым желілер арасындадағы кернеулерін ŮАВ, ŮBС, ŮCА – линиялық (желілік) кернеулер деп атайды. Генератордың орамымен немесе жүктемесің фазадағы кедергісімен (ZA, ZB, ZC) өтетін токтарды
İ А, İ B, İ C – фазалық токтар деп атайды, ал генератордан жүктемеге сымдар арқылы жүретін токтарды желілік (линиялық) токтар деп атайды. Үшфазалы тізбектін жұлдызша қосылған жағдайда линиялық және фазалық токтары бір-біріне тең: Іл = Іф.
Барлық сымдардың кедергілерін ескермеген жағдайда қабылдағаштардың фазалық кернеулері генератордың фазалық ЭҚК-не тең болады: ŮА = ĖА, ŮВ = ĖВ, ŮС = ĖС. Симметриялық үшфазалық жүйеде фазалық кернеулердің әсерлік мәндері бірдей болады: UA = UB = UC = Uф .
Фазадағы токтар Ом заңы бойынша
İА
=
, İB
=
, İC
=
, (7.3)
ал нейтральдағы токты Кирхгофтың бірінші заңы бойынша табуға болады:
İN = İА + İB + İC . (7.4)
Барлық фазалар үшін кедергілері
=
=
=
= zф
(7.5)
бірдей болатын болса, бұл режимды симметриялық деп атайды.
Симметриялық режим жағдайында ток әр фазада кернеуден
осы фазалары бойынша φ = arctg
бұрышына
қалып отрады (сур. 7.4), мұндағы R мен Х – фазалардың
активтік жәнее рективтік кедергілері.

Сур. 7.4. Симметриялық режимының векторлық диаграммасы
Линиялык кернеулерді, 7.3 суретіндегі схемадағы контурлар үшін Кирхгофтың екінші заңын пайдаланып, табуға болады:
ŮАB
= ŮА
- ŮВ
= Uл
ŮBС
= ŮВ
– ŮС
= Uл
(7.6)
ŮСА
= ŮС
– ŮА
= Uл
Мұндағы линиялық кернеудің мәні Uл сурет 7.4 екі фазалық және линиялық кернеу векторлардан құрылған үш бұрыштан төмендегідей қатысты аламыз:
Uл
= Uф * cos
,
немесе Uл
=2Uф * cos
=
2Uф *
=
Uф
= 1,73 Uф (7.7) Линиялық
кернеуі фазалық кернеуден
есе артық
болады.
Симметриялық режимде фазалық кернеулер және токтар комплекстардың қосындысы нөльге тең боп шығады:
ŮА + ŮВ + ŮС = 0, İА + İB + İC = İN = 0.
Бұл жағдайда тогы жоқ нейтраль сымын алып ұстап, үш сымды схеманы пайдалануға болады (сур. 7.5).

Сур. 7.5. Үшфазалы үш сымдық тізбектін жұлдызша қосылысы
Егер
жүктеме симметриалық болмаса (
≠
≠
), сұлбаның екі
түйіні (сур. 7.3 n және N нүктелері) арасында потенциалдар айрымы ŮnN
(нейтральдың ығысу кернеуі деп атайтын) пайда
болады. Бұл кернеуді анықтау үшін екі түйіндік потенциалдар тәсілін қолданамыз.
Тәсіл бойынша
ŮnN
=
,
(7.8)
мұнда
YA =
, YB
=
, YC
=
– жүктеменің
фазаларының комплекстік
өткізгіштер;
YN =
– нейтральдың
өткізгіштігі.
кезде, YN
= ∞, ŮnN
және токтар
(3.3-3.4) формулармен анықталады.
> 0 кезде, ŮnN
және жүктеменің
фазаларының комплекстік кернеулері Кирхгофтың екінші заңы
бойынша мынау өрнекпен табылады:
Ůа = ĖА - ŮnN , Ůb = ĖB - ŮnN , Ůc = ĖC - ŮnN. (7.9)
Ом заңы бойынша фазалық токтары тең:
İА
=
=
Ůа YA
, İB
= Ůb
YB , İC
= Ůc
YC.
(7.10)
= ∞ кезде, YN
= 0 (үш сымдық тізбек) және фазалардын кернеулер мәндерінің айырмшылығы өте
үлкен болып кетуге мүмкін. Олай болса, бұл апатты жағдай.
7.4 Үшбұрыш схемасын жалғануы
Энергия
көзінің және қабылдағыштардың фазалық орамдары үшбұрыш схемасымен құрылғанда
(сур. 7.6), бірінші фазалық ораманың соңы Х екінші фазалық ораманың басымен В
қосылады, ал оның соңы Y үшінші ораманың басымен С, оның
соңы
бірінші
ораманыі басымен А қосылады.

Сур. 7.6. Үшфазалы тізбектін үшбұрыш қосылысы
Сонда генератордың және жүктемелердің фазалық кернеулері желілік кернеулері болып саналады (ŮАВ = ĖА, ŮВС = ĖВ, ŮСА = ĖС), ал İ АВ, İ BС, İ CА фазалық токтарының İ А, İ B, İ C – желілік токтардан айырмашылығы бар екендігі байқалады. Ом заңы бойынша қабылдағыштың фазалық токтары тең:
İАВ
=
, İBС
=
, İCА
=
(7.11)
Кирхгофтың бірінші заңы бойынша желілік токтар тең:
İА = İАВ - İСА, İВ= İBС - İАВ, İА = İСА - İBС. (7.12)
Егер қабылдағыш симметриялы болса (
=
=
=
= zф
, онда барлық
фазалық токтардың әсерлік мәндері бірдей болады және олардың желілік
кернеулерге фазалық ығысулары да бірдей болады. Бұл желілік және фазалық
токтардың комплекстік мәндері үшін құрылған векторлық диаграммадағы токтар
(сур. 7.7) үшбұрышынан желілік токтардың модульдері мен фазалық токтардың
модульдері арасында мынадай байланыс барынан көрінеді:
Іл
=2Іф * cos
=2Іф
*
=
Іф
= 1,73 Іф (7.13)
Симметриялық режимде Uл = Uф
және желілік тогы фазалық токтан
есе артық
болады.

Сур. 7.7. Үшбұрышты тізбектің векторлық диаграммасы
7.4. Үшфазалы жүйенің қуаты
Үшфазалы тізбектің активті қуаты фазаларын активті қуаттарын және нейтраль сымның кедергісінде бөлнетін активті қуаттың қосындысына тең:
Р = РА+РВ+РС+Р0 .
Сол сияқты реактивті қуаты Q = QA+QB+QC+Q0.
Толық қуат түбір астындағы активті және реактивті қуаттар квадратының суммасына тең:
S =
. (7.14)
Симметриялық жүйеде фазалық қуат бір-бірімен тең РА=РВ=РС=Рф, Р0=0, QA=QB=QC=Qф, Q0=0. Осы жағдайда Р=3Рф және Q=3Qф, ал фазалық активті және реактивті қуаттын жалпы өрнектері
Рф = UI * cos φ, Qф = UI * sin φ,
мұндағы φ – фазалық кернеу мен токтар арасындағы бұрыш.
Жұлдыз
схемасымен қосқанда Uф =
,
Іф = Іл; үшбұрыш схемасымен
жалғағанда Uф = Uл, Іф
=
. Екі жағдайда
да, фазалық шамаларды линиялық (желілік) мәндерімен ауыстырғанда, біз бірдей
өрнекті аламыз:
Р
= 3 Uф Iф *
cos
φ =
Uл
Iл * cos
φ, (7.15)
Q
= 3
Uф Iф * sin
φ =
Uл
Iл * sin
φ. (7.16)
Үшфазалы жүйенің толық қуатының модулі:
S =3
Uф Iф =
Uл
Iл .
(7.17)
7.5. Үш фазалы тізбектегі қуатты өлшеу
Электр тізбектеріндегі қуат ваттметр деп аталатын құрылғымен өлшенеді. Ваттметрдің екі орамасы бар: ток орамасы амперметр сияқты тізбекке тізбектей жалғанған, ал кернеу орамасы қуат өлшенетін секцияға параллель қосылған.
Симметриялық үш фазалы тізбектің активті қуатын өлшеу үшін фазалардың біріне қосылатын және тек осы фазаның белсенді қуатын өлшейтін бір ваттметрі бар тізбек қолданылады (сур. 7.8).

Сур. 7.8. Симметриялық жүктемемен қуатты өлшеу
Бүкіл тізбектің белсенді қуаты ваттметр көрсеткішін фазалар санына көбейту арқылы алынады: P =3 РW=3Uф Iф cosφ.
Төрт сымды үш фазалы тізбектерде (нөлдік сым болған кезде) белсенді қуатты өлшеу үшін үш құрылғысы бар тізбек қолданылады (сур. 7.9), онда әрбір фазаның белсенді қуаты бөлек өлшенеді, ал бүкіл тізбектің қуаты үш ваттметрдің көрсеткіштерінің қосындысы ретінде анықталады:

Сур. 7.9. Үш ваттметрдің көмегімен үш фазалы тізбектің қуатын өлшеу
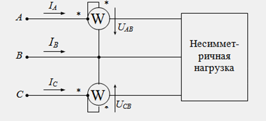
Үш сымды үш фазалы тізбектерде (нөлдік сым болмаған кезде) белсенді қуатты өлшеу үшін екі құрылғысы бар тізбек қолданылады (сур. 7.10).

Сур. 7.10. Екі ваттметрдің көмегімен үш фазалы тізбектің қуатын өлшеу
Бейтарап сым болмаған кезде сызықтық (фазалық) токтар Кирхгофтың 1-ші заңының теңдеуі бойынша бір-бірімен байланысады: IA+IB+I = 0. Екі ваттметрдің көрсеткіштерінің қосындысы мынаған тең:

Осылайша, екі ваттметрдің көрсеткіштерінің қосындысы активті үш фазалы қуатқа тең, ал әрбір құрылғының жеке оқуы тек жүктеменің шамасына ғана емес, оның сипатына да байланысты.