Тема 3. Базовые логические элементы. Основные типы логики цифровых интегральных схем.
Алгебра логики
Алгебра логики - это раздел математики, изучающий высказывания, рассматриваемые со стороны их логических значений (истинности или ложности) и логических операций над ними.
Такой аппарат для решения задач формальной логики в середине 19 века разработал ирландский математик Джордж Буль. По его имени математический аппарат и получил название булевой алгебры или алгебры логики.
Основные положения алгебры логики и логические устройства
Переменная величина Х в алгебре логики может принимать:
Х = 1 (логическая единица лог. «1»);
Х = 0 (логический ноль лог. «0»)
Три основных операции:
– инверсия (логическое отрицание);
– дизъюнкция (логическое сложение);
– конъюнкция (логическое умножение).
Инверсия (логическое отрицание)
Это функция одной переменной, на языке логики называется «НЕ», «NOT».
Инвертированный сигнал X в алгебре
логики обозначается как
.
𝑌 =
;
Зависимость между логическими переменными отображается таблицами истинности:
|
X |
Y |
|
0 |
1 |
|
1 |
0 |
Обозначения инвертора изображено на рисунке 3.1.

Рисунок 3.1

В качестве инвертора в простейшем случае можно использовать обычный усилитель с транзистором, включенным по схеме с общим эмиттером или истоком.

Рисунок 3.2
Дизъюнкция (логическое сложение)
Это функция нескольких переменных. На языке логики называется «ИЛИ», «OR».
Функция обозначается следующим образом:
Y = X1 + X2 = X1 Ú X2
Таблица истинности
|
X1 |
X2 |
Y |
|
0 |
0 |
0 |
|
0 |
1 |
1 |
|
1 |
0 |
1 |
|
1 |
1 |
1 |
Условное графическое обозначение на схемах


Рисунок 3.3
Для реализации схемы логического элемента "2ИЛИ" можно использовать идеализированные ключи с электронным управлением.

Рисунок 3.4
Конъюнкция (логическое умножение)
Это функция нескольких переменных. На языке логики называется «И», «AND».
Функция обозначается следующим образом:
Y = X1 × X2 = X1 Ù X2 = X1 & X2
Таблица истинности
|
X1 |
X2 |
Y |
|
0 |
0 |
0 |
|
0 |
1 |
0 |
|
1 |
0 |
0 |
|
1 |
1 |
1 |
Условное графическое обозначение на схемах


Рисунок 3.5
Для реализации схемы логического элемента "2И" можно использовать идеализированные ключи с электронным управлением.

Рисунок 3.6
Функция Шеффера (штрих Шеффера)
Это функция нескольких переменных. Реализует умножение с отрицанием. На языке логики называется «И-НЕ», «NAND» (NOT-AND).
Функция обозначается следующим образом:
Y =
= X1½X2
Таблица истинности
|
X1 |
X2 |
Y |
|
0 |
0 |
1 |
|
0 |
1 |
1 |
|
1 |
0 |
1 |
|
1 |
1 |
0 |
Условное графическое обозначение на схемах

Рисунок 3.7
Функция Пирса (стрелка Пирса)
Реализует сложение с отрицанием. На языке логики называется «ИЛИ-НЕ», «NOR» (NOT-OR).
Функция обозначается следующим образом:
Y =
= X1¯X2
Таблица истинности
|
X1 |
X2 |
Y |
|
0 |
0 |
1 |
|
0 |
1 |
0 |
|
1 |
0 |
0 |
|
1 |
1 |
0 |
Условное графическое обозначение на схемах

Рисунок 3.8
«Исключающее или» (Сложение по mod 2)
Это функция нескольких переменных. На языке логики называется «XOR», «eXclusive OR».
Функция обозначается следующим образом:
Y = Y =x1 Å x2;
Таблица истинности
|
X1 |
X2 |
Y |
|
0 |
0 |
0 |
|
0 |
1 |
1 |
|
1 |
0 |
1 |
|
1 |
1 |
0 |
Условное графическое обозначение на схемах

Рисунок 3.9
Законы алгебры логики
Правила, которые применяются при преобразовании логических выражений, приведены в таблице 3.1
Таблица 3.1

Упрощение логических выражений
Шаг 1. Заменить операции Å ®« на их выражения через И, ИЛИ и НЕ:

Шаг 2. Раскрыть инверсию сложных выражений по формулам де Моргана:
![]()
Шаг 3. Используя законы логики, упрощать выражение, стараясь применять закон исключения третьего.
Выполнение логических операций производится в соответствии с приоритетом: 1 – инверсия, 2 – конъюнкция, 3 – дизъюнкция и 4 - сложение по mod 2.

Рисунок 3.10 – Логические элементы компьютера
Любое логическое выражение можно реализовать на элементах И-НЕ или ИЛИ-НЕ.



Рисунок 3.11
Основные типы логики цифровых интегральных схем
К основным типам логики цифровых интегральных схем относятся следующие:
1) ДТЛ - диодно-транзисторная логика;
2) ТТЛ – транзисторно-транзисторная логика;
3) КМОП – комплементарная (металл-окисел-полупроводник) логика;
4) ЭСЛ – эмиттерно-связанная логика;
5) ИИЛ – интегрально-инжекционная логика.
Диодно-транзисторная логика (ДТЛ) - технология построения цифровых схем на основе биполярных транзисторов, диодов и резисторов.
Своё название технология получила благодаря реализации логических функций с помощью диодных цепей, а усиления и инверсии сигнала — с помощью транзистора.
Транзисторно-транзисторная логика (ТТЛ) - технология является наиболее распространённым. Микросхем с ТТЛ логикой имеют высокое быстродействие, но потребляют больше мощности, чем микросхемы с КМОП-логикой.
Комплементарная логика (КМОП) - технология является самым экономичным по потреблению мощности. Применяется там, где необходимо экономить потребление тока.
Микросхемы КМОП имеют низкое быстродействие. Слабым местом КМОП-микросхем является уязвимость от статического электричества — достаточно коснуться рукой вывода микросхемы и её целостность уже не гарантируется.
С развитием технологий ТТЛ и КМОП микросхемы по параметрам сближаются.
Эмиттерно-связанная логика (ЭСЛ). Микросхемы, изготовленные по ЭСЛ-технологии, являются самыми быстрыми, но и наиболее энергопотребляющими, и применяются при производстве вычислительной техники в тех случаях, когда важнейшим параметром является скорость вычисления.
Сейчас эта технология используется редко.
Интегрально-инжекционная логика (ИИЛ, И2Л). Преимущества таких ИМС: высокая степень интеграции; малое потребление энергии на одно переключение; низкие напряжение питания: 1-3 В.
Недостатки: максимальные рабочие частоты до 50МГц.
В настоящее время логика почти забыта.
Диодно-транзисторная логика
Принципиальная схема элемента 2И-НЕ

Рисунок 3.12
Схема не может каскадироваться, так как вырабатывает только вытекающий ток, а для следующего каскада требуется втекающий выходной ток схемы.
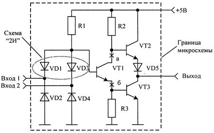
Принципиальная схема базового элемента микросхемы ДТЛ

Рисунок 3.13
Логический элемент "2И" в приведенной схеме образуется элементами VD1, VDЗ и R1. Использование двухтактного усилителя позволяет получать от схемы как втекающий, так и вытекающий ток.
Транзистор VТ1 инвертирует сигнал на выходе элемента "И". То есть вместо логической единицы на выходе этой схемы присутствует логический ноль. И, наоборот, вместо логического нуля на выводе схемы присутствует логическая единица. В результате базовый элемент ДТЛ реализует не просто функцию "2И", а более сложную логическую функцию "2И-НЕ":
Y = 
Приведенный логический элемент используется в таких современных сериях микросхем как 555, 533, 1531, 1533. В этих сериях микросхем для повышения быстродействия применяются транзисторы и диоды Шоттки.
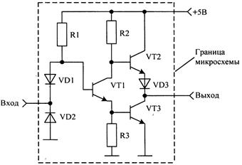
На основе базового элемента строится и инвертор

Рисунок 3.14
Транзисторно-транзисторная логика
В более современной и эффективной технологии ТТЛ входные диоды заменены на мультиэмиттерный транзистор. Это повышает быстродействие, а также уменьшает площадь кристалла и соответственно позволяет добиться более высокой плотности элементов.
Использование многоэмиттерного транзистора, объединяющего свойства диода и транзисторного усилителя, позволяет увеличить быстродействие и снизить потребляемую мощность.
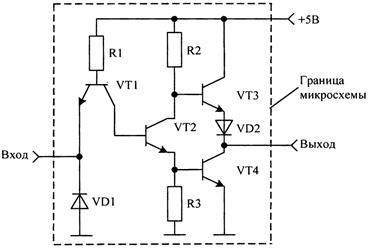
Принципиальная схема типового элемента ТТЛ логики

Рисунок 3.15
Выходной усилитель инвертирует сигнал на выходе схемы. По такой схеме выполнены базовые элементы микросхем серий 155, 131 и 531. Схемы "И-НЕ" в этих сериях микросхем имеет обозначение ЛА. Схема К531ЛА3 содержит в одном корпусе четыре элемента 2И-НЕ.
На основе базового элемента строится и инвертор.

Рисунок 3.16
Логические уровни ТТЛ-микросхем
В настоящее время применяются два вида ТТЛ-микросхем — с пятивольтовым и с трехвольтовым питанием, но, независимо от напряжения питания микросхем, логические уровни нуля и единицы на выходе у них совпадают. Поэтому дополнительного согласования между такими ТТЛ-микросхемами обычно не требуется.
Логические уровни на выходе цифровых микросхем не обязательно равны напряжению питания или потенциалу общего провода. Конкретное значение напряжения зависит от многих факторов.
Уровни логических сигналов на выходе цифровых ТТЛ-микросхем

Рисунок 3.17
Разброс напряжений на входе цифровой микросхемы по сравнению с разбросом напряжений на ее выходе обычно допускается в больших пределах.

Рисунок 3.18 - Границы уровней напряжения логического нуля и единицы для ТТЛ-микросхем
Разновидности ТТЛ-микросхем
Первые ТТЛ микросхемы можно встретить в аппаратуре, работающей до сих пор. Стандартные ТТЛ микросхемы - это микросхемы, питающиеся от источника напряжения +5В. Это семейство микросхем серии К155, SN74.
Микросхемы с расширенным температурным диапазоном SN54, К133.
Микросхемы c низким быстродействием и низким энергопотреблением - SN74L, К134. Среднее быстродействие и среднее энергопотребление - SN74, К155 и высокое быстродействие и большое энергопотребление - К131.
Затем были разработаны микросхемы повышенного быстродействия с диодами Шоттки. К555 (SN74LS) — среднее быстродействие и низкое энергопотребление и К531 (SN74S) — высокое быстродействие и большое энергопотребление.
Микросхемы с улучшенными параметрами, серии: К1533 (SN74ALS) (низкое быстродействие, низкое потребление) и К1531 (SN74F) (высокое быстродействие и большое потребление.
Трехвольтовый вариант ТТЛ совместимых микросхем — серия 1554 (SN74ALB), выполненных по совмещенной биполярно-КМОП (Bi-CMOS) технологии, сочетающей преимущества этих технологий.
Логика на комплементарных МОП-транзисторах (КМДП)
Особенностью микросхем на комплементарных МОП-транзисторах является то, что эти микросхемы в статическом режиме практически не потребляют ток.
Потребление тока происходит только в момент переключения микросхемы из единичного состояния в нулевое и наоборот. Этим током перезаряжается паразитная емкость нагрузки цифровой микросхемы.
Схема логического элемента "И-НЕ" на КМОП-микросхемах практически совпадает с эквивалентной схемой логического элемента "И" на ключах с электронным управлением.

Рисунок 3.19 - Принципиальная схема элемента "2И-НЕ", выполненного на комплементарных МОП-транзисторах

Рисунок 3.20 - Принципиальная схема инвертора, выполненного на комплементарных МОП-транзисторах
В настоящее время КМОП-микросхемы получили наибольшее развитие. Наблюдается постоянная тенденция к снижению напряжения питания этих микросхем. Первые серии КМОП-микросхем, К1561 (СD4000В), обладали достаточно широким диапазоном изменения напряжения питания (3 ... 18 В). При понижении напряжения питания понижается предельная частота работы, и наоборот (на этом явлении основан так называемый разгон современных центральных процессоров персональных компьютеров). По мере совершенствования технологии производства, появились улучшенные КМОП-микросхемы с лучшими частотными свойствами.
Задания для СРС
1. Булева алгебра ее основные функции и формы их представления.
2. Базовый элемент технологии ТТЛ. Уровни логических «0» и «1» элементов ТТЛ. Недостатки технологии ТТЛ.
3. ТТЛ с диодами Шотки. Сравнительные характеристики логических элементов технологий ТТЛ и ТТЛШ, их совместимость.
4. Основные параметры логических элементов. Временные логические диаграммы переключения инвертирующего ЛЭ.
5. Структура и принципы работы полевых транзисторов с изолированным затвором.