Тема 5. Функциональные узлы последовательного типа: Триггеры, регистры, счетчики.
Функциональные узлы последовательностного типа
Устройствами последовательностного типа называются устройства, состояния выходов которых определяются состоянием входов в настоящий и предыдущий момент времени (машинного времени).
Основными типами последовательностных функциональных узлов, выпускаемых в виде отдельных интегральных микросхем либо входящих в состав БИС и СБИС, являются регистры, счетчики и генераторы кодов.
Особенности устройств с внутренней памятью
- Строятся на основе логических элементов (НЕ, И, ИЛИ, буферы);
- Состояния выходных сигналов определяются не только текущими входными сигналами, но и предшествующей историей (память);
- Сохраняют информацию во внутренней памяти до тех пор, пока есть питание, при выключении питания информация пропадает;
- При включении питания информация во внутренней памяти не определена (может быть любой);
- Примеры устройств: триггеры, регистры, счётчики, оперативная память (ОЗУ).
Регистром называется функциональный узел, выполняющий хранение операндов и их сдвиг на определенное число разрядов.
Счетчиком называется узел, на выходах которого образуется число, соответствующее количеству поступивших на вход импульсов.
Генератором кодов (числовых последовательностей) называется узел, дающий на выходах заданную последовательность кодов (двоичных чисел).
Триггеры
Простейший цифровой автомат, т.е. устройство с памятью. При наличии электропитания способен на длительное время запоминать одно из двух устойчивых состояний (0 или 1) и может переключаться между ними под управлением внешних сигналов.
Таким образом, триггер хранит 1 бит информации. Применяется самостоятельно, а также служит основой для построения других устройств: регистров, счетчиков.
Триггер – это логическая схема с положительной обратной связью, имеющая 2 устойчивых состояния (бистабильная ячейка).
Триггер классифицируются по логике работы и по способу приема информации.

В асинхронных триггерах запись информации (переключение состояния) осуществляется в момент подачи сигнала на информационные входы.
В синхронных триггерах запись возможна только в присутствии разрешающего сигнала С (Clock), т.е. сигнала синхронизации.
Для цифровых автоматов синхронизация очень важна, поскольку позволяет согласовывать во времени процессы чтения и записи, происходящие в разных частях схемы, реализуя, таким образом, алгоритм работы устройства.
Сигнал синхронизации - это последовательность дискретных импульсов стабильной частоты.

Синхронный триггер со статическим управлением воспринимает информационные сигналы во время действия активного уровня на входе С, т.е. пока С=1, происходит постоянная перезапись информации, а когда С=0, происходит фиксация состояния триггера.
Синхронный триггер с динамическим управлением (иначе говоря, фронтовой триггер) воспринимает информационные сигналы в моменты переключений синхроимпульса (0®1 и 1®0), т.е. в моменты прихода переднего или заднего фронта сигнала.
Вход С называется прямым динамическим, если переключение триггера происходит в момент прихода переднего фронта, инверсным динамическим – если переключение происходит в момент прихода заднего фронта.
Асинхронный RS-триггер на элементах ИЛИ-НЕ

R – Reset (сброс). S – Set (установка).
Рисунок 5.1 - Асинхронный RS-триггер на элементах ИЛИ-НЕ
Таблица истинности асинхронного RS-триггера на элементах ИЛИ-НЕ

Поскольку реальные времена срабатывания логических элементов зависят от незначительных отклонений в процессе их изготовления, то при включении питания триггер непредсказуемо принимает одно из двух состояний.
Это приводит к необходимости выполнять первоначальную установку триггера в требуемое исходное состояние.

Рисунок 5.2 - Временная диаграмма работы триггера
Асинхронный RS-триггер на элементах И-НЕ

R – Reset (сброс). S – Set (установка).
Рисунок 5.3 - Асинхронный RS-триггер на элементах И-НЕ
Таблица истинности асинхронный RS-триггер на элементах И-НЕ
|
R |
S |
Qi |
Примечание |
|
1 |
1 |
Qi-1 1/0 |
режим хранения |
|
1 |
0 |
0 |
сброс в "0" |
|
0 |
1 |
1 |
установка в "1" |
|
0 |
0 |
* |
запрещенная комбинация |

Рисунок 5.4 - Временная диаграмма работы триггера с инверсными входами
RS - триггер, синхронный с прямыми входами
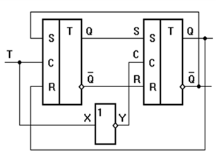
Синхронный триггер отличается от асинхронного лишь тем, что переключение происходит в момент поступления тактового (синхронизирующего, стробирующего) импульса на динамический вход синхронизации С, т.е. импульс выполняет функцию разрешения на переключение. В отсутствие импульса, независимо от уровней на входах управления, переключение триггера не происходит, он остается в предыдущем состоянии Q0, т.е. реализуется режим хранения.

Рисунок 5.5 - RS - триггер, синхронный с прямыми входами
Наклонная черта на входе C обозначает переход от низкого уровня (лог.0) к высокому (лог.1), что соответствует переднему фронту синхроимпульса. Установка триггера происходит в соответствии с управляющими уровнями на входах R и S. При отсутствии импульса на входе С состояние выходов не изменяется (4-я строка; ´ - любое состояние)

Рисунок 5.6 - Временная диаграмма работы синхронного RS - триггера
Информационный D-триггер
Используется для построения схем регистров, которые запоминают и хранят одно многоразрядное двоичное число.
Принцип действия заключается в установке на его прямом выходе того же самого уровня, какой подается на его информационный вход D в момент переднего фронта синхронизирующего импульса на входе С. Этот триггер не имеет запрещенного состояния, хотя и использует в своей логической схеме RS - триггер.
Триггер-задержка – хранит предыдущее состояние до прихода очередного синхроимпульса.
Можно построить на RS-триггере, если подавать сигнал D на линию S напрямую, а на R – через инверсию.
|
C |
D |
Qi |
Qi |
|
0 |
0 |
Qi-1 |
Qi-1 |
|
0 |
1 |
Qi-1 |
Qi-1 |
|
1 |
0 |
0 |
1 |
|
1 |
1 |
1 |
0 |
Если на информационный вход D подать "1", то первым поступившим импульсом на вход С триггер установится в "1". Если на информационный вход D подать "0", то первым поступившим импульсом на вход С триггер установится в "0".

Рисунок 5.7 - Т – триггеры (счетные триггеры)

Рисунок 5.8 - Временная диаграмма работы D – триггера
Первым импульсом синхронизации триггер устанавливается в "1", а следующие импульсы синхронизации не меняют состояние триггера, пока на входе D не изменится сигнал на противоположный. Если выход /Q D-триггера соединить с входом D, то получится счет На базе двухступенчатого RS-триггера путем введения обратной связи строится счетный триггер (Т - триггер)ный триггер.

Рисунок 5.9 - Т – триггеры (счетные триггеры)

Рисунок 5.10 - Временная диаграмма работы Т - триггера
C приходом каждого импульса на вход Т счетный триггер будет перебрасываться из нуля в единицу и наоборот.
Счетный триггер делит частоту входных импульсов пополам:
Fвых=Fвх/2
Принцип действия заключается в том, что при поступлении на тактирующий вход положительного перепада (переднего фронта импульса), его выходное состояние изменяется на противоположное. При отсутствии указанного фронта - состояние на выходе схемы не изменяется.
Этот вид триггера можно получить из любого другого вида триггеров.
Регистры
Регистр – это функциональный узел накапливающего типа, предназначенный для хранения и преобразования двоичных кодов. Регистр строится на базе триггеров. Один триггер хранит один двоичный разряд. Для хранения нескольких двоичных разрядов необходимо несколько триггеров соединенных между собой. Например, для хранения четырехразрядного кода 1101 требуется четыре триггера, то есть 4-х разрядный регистр. Таким образом, регистр – это набор соединенных триггеров.
Регистры делятся на:
– регистры с параллельным приемом и выдачей информации (регистры памяти или накопительные регистры). Предназначены для хранения двоичной информации.
– регистры с последовательным приемом и выдачей информации (сдвиговые или сдвигающие). Предназначены для сдвига информации и преобразования параллельного кода в последовательный и наоборот;

Рисунок 5.11 - Регистр памяти
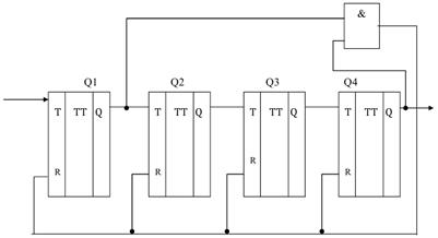
Сдвиговый регистр
Для хранения одного разряда информации предназначен отдельный триггер. Для N разрядов информации необходимо N триггеров.

Рисунок 5.12 - Сдвиговый регистр
Состояние триггеров регистра сдвига приведено в таблице 5.1.
Таблица 5.1
|
Q1 |
Q2 |
Q3 |
Q4 |
Примечания |
|
0 |
0 |
0 |
0 |
Исходное состояние. Регистр сброшен в “0” |
|
1 |
0 |
0 |
0 |
После 1-го тактового импульса СИ |
|
1 |
1 |
0 |
0 |
После 2-го тактового импульса СИ |
|
0 |
1 |
1 |
0 |
После 3-го тактового импульса СИ |
|
1 |
0 |
1 |
1 |
После 4-го тактового импульса СИ |
Виды параллельных регистров
Регистры, срабатывающие по фронту управляющего сигнала (тактируемые регистры). Изменение состояния — по фронту сигнала С. До прихода следующего фронта — хранение.
Регистры, срабатывающие по уровню управляющего сигнала (регистры-защёлки). Если сигнал С=1, то выходные сигналы повторяют входные. Если сигнал С=0, то запоминание и хранение входных сигналов.

Рисунок 5.13 - Параллельные регистры
Тактируемый регистр

Рисунок 5.14 - Тактируемый регистр
Таблица истинности тактируемого регистра
|
Входы |
Выходы |
||
|
-WE |
C |
D |
Q |
|
0 |
0à1 |
0 |
0 |
|
0 |
0à1 |
1 |
1 |
|
0 |
0 |
X |
Не меняется |
|
0 |
1 |
X |
Не меняется |
|
1 |
X |
X |
Не меняется |
Регистр-защёлка

Рисунок 5.15 - Регистр-защёлка
Таблица истинности регистра-защёлки
|
Входы |
Выходы |
||
|
-EZ |
C |
D |
Q |
|
0 |
1 |
1 |
1 |
|
0 |
1 |
0 |
0 |
|
0 |
0 |
X |
Не меняется |
|
1 |
X |
X |
Z-состояние |
Счетчики
Счетчиком называется функциональный узел накапливающего типа (цифровой автомат), предназначенный для счета входных импульсов и хранения их количества в виде двоичного числа.
Счетчики строятся на триггерах.
Параметры счетчика:
- Модуль счета (М) - максимальное количество единичных импульсов, которое может быть сосчитано счетчиком. Счетчик обнуляется, когда приходит М-ый импульс.
- Шаг счета - приращение значения счетчика при приходе очередного импульса.
- Направление счета - в сторону увеличения значений, или в сторону уменьшения значений.
По способу организации межразрядных связей счетчики делятся на:
- счетчики с последовательным переносом (асинхронные счетчики), в которых переключение триггеров разрядных схем осуществляется последовательно один за другим;
- счетчики с параллельным переносом (синхронные счетчики), в которых переключение всех триггеров разрядных схем осуществляется одновременно по сигналу синхронизации;
- счетчики с комбинированным последова-тельно-параллельным переносом, при котором используются различные комбинации способов переноса.
Двоичные счетчики
Суммирующий счетчик

Рисунок 5.16 - Суммирующие счетчики и их диаграмма работы
Вычитающий счетчик

Рисунок 5.17 - Вычитающие счетчики и их диаграмма работы
Реверсивный (универсальный) счетчик

Рисунок 5.18 - Реверсивный (универсальный) счетчик и его диаграмма работы
Счетчики – делители
Двоичный счетчик может считать до Кст = 2n - 1. Если в схему двоичного счетчика добавить логический элемент, то можно менять коэффициент счета в пределах:
2 ≤ Kдел ≤ 2n – 1.
Такие счетчики называются счетчиками делителями.

Рисунок 5.19 - Схема счетчика делителя с Kдел = 9
В исходном состоянии на выходах триггеров нули. Счетчик считает импульсы в обычном режиме до восьми. После поступления восьмого импульса получим сигналы на выходах триггеров:
Q1=0, Q2=0, Q3=0, Q4=1.
После поступления 9-го импульса получим сигналы Q1=1, Q2=0, Q3=0, Q4=1
На входы элемента «2И» поступят две единицы. На выходе появится сигнал единицы, который сбросит все триггеры в “0”. Таким образом, после поступления девятого импульса счетчик начнет считать импульсы сначала, то есть от «0» до «8».
Двоичный четырехразрядный счетчик имеет N = 15. ИМС имеет вход R, предназначенный для обнуления выходов (сброс) и поскольку он прямой, обнуление производится уровнем лог.1.
Если, например, необходимо, чтобы счетчик считал только до четырех импульсов, то это значит, что пятым - он должен обнулиться. На пятом импульсе на выходах установится состояние 0101. Выходное число содержит две единицы.

Рисунок 5.20 - Счетчик делителя с Kдел = 5
Задания для СРС
1. Основные типы триггеров. RS-триггер, Т-триггер, JK-триггер.
2. Синхронизация в триггерах. Варианты синхронизации и обозначения входов синхронизации триггеров.
3. Проблема «дребезга контактов» в схемах ввода информации от механических ключей и использование триггеров в схемах ввода информации.
4. Определение регистра. Условное графическое обозначение и структурная схема регистра.
5. ИМС универсальных регистров. Наращивание разрядности при использовании универсальных регистров.
6. Определение и классификация счетчиков. Модуль счета.
7. Счетчики с произвольным модулем счета. Способ принудительного возврата в ноль.