Тема 2. Элементная база цифровой электроники. Основные полупроводниковые приборы. Полупроводниковые диоды и транзисторы
Полупроводниковые приборы, устройство и основные физические процессы
В основе современной электроники лежит применение полупроводниковых приборов, отчего ее часто называют полупроводниковой электроникой.
Полупроводник без примеси имеет собственную удельную электропроводность σn = 102...10−8 См/м (у проводников σме =104...108 См/м, у диэлектриков σд < 10−8 См/м). Согласно зонной теории к полупроводникам относят вещества, ширина запрещенной энергетической зоны которых ∆W < 3 эВ. Так, у германия (Ge) ∆W = 0,72 эВ, у кремния (Si) ∆W =1,11 эВ, у арсенида галлия (GaAs) ∆W =1,14эВ.

Рисунок 2.1
У проводников запрещенная зона отсутствует: валентная зона и зона проводимости частично перекрываются, что обеспечивает хорошую электропроводность металлов.
Электроны в зоне проводимости и дырки в валентной зоне определяют электропроводность четырехвалентного полупроводника.
Электроннодырочная проводимость возникает в результате разрыва валентных связей, являясь собственной проводимостью, которая обычно невелика.
Для увеличения электропроводности в полупроводники вводят незначительное количество примесей, при этом оказывается, что в зависимости от рода примеси получают как полупроводники с дырочной проводимостью (при добавках трёхвалентной примеси — акцепторов типа индий (In)), называемых полупроводниками p-типа, так и полупроводники с электронной проводимостью (при добавках пятивалентной примеси — доноров типа мышьяк (As)), называемых полупроводниками n-типа.
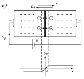
При сплавлении полупроводников различных типов создаётся область объёмного заряда по обе стороны от границы раздела, называемая электронно-дырочным или p-n-переходом.

Рисунок 2.2
При этом возникает так называемый запирающий (барьерный) слой в несколько микрометров, лишенный носителей заряда, с напряженностью Eз электрического поля, которая препятствует диффузии носителей заряда.
Потенциальная энергия поля W0 = qe (ja − jb ) = qeUj,, где Uj — контактная разность потенциалов; qe = 1,602×10-19 Кл — заряд электрона.

Рисунок 2.3
Если к p-n-переходу приложить обратное напряжение, то создаваемая им напряженность E электрического поля повышает потенциальный барьер и препятствует переходу электронов из n-области в p-область и дырок из p-области в n-область.
При этом поток неосновных носителей (дырок из n-области и электронов из p-области), их экстракция, образует обратный ток Iобр.

Рисунок 2.4
Если включить внешний источник энергии Е, как это показано на рисунке, то создаваемая им напряженность электрического поля будет противоположной направлению напряженности Ез объёмного заряда, и в область раздела полупроводников будет инжектироваться все большее количество дырок (являющимися неосновными для n-области носителями заряда), которые и образуют прямой ток Iпр. При напряжении 0,3...0,5 В запирающий слой исчезнет, и ток Iпр определяется только сопротивлением полупроводника
Полупроводниковые диоды
Полупроводниковый диод — это полупроводниковый прибор с одним выпрямляющим электрическим переходом и двумя выводами, в котором используется то или иное свойство электронно-дырочного p-n-перехода.
В диодах p-n-переход используется в качестве выпрямляющего электрического перехода, разделяющего р- и n-области кристалла полупроводника.

Рисунок 2.5
При включении p-n-перехода под прямое напряжение Uпр сопротивление p-n-перехода Rпр снижается, а ток Inp возрастает. При обратном напряжении Uобр обратный ток Iобр неосновных носителей заряда оказывается во много сотен или тысяч раз меньше прямого тока.
При напряжении U > Uобр.max (точка а на ВАХ диода) начинается лавинообразный процесс нарастания обратного тока Iобр, соответствующий электрическому пробою p-n-перехода, переходящий (если не ограничить ток) в необратимый тепловой пробой.
Из ВАХ диода следует, что он обладает неодинаковой электрической проводимостью в прямом и обратном направлениях его включения. Поэтому полупроводниковые диоды используют в схемах выпрямления переменного тока.
Так как напряжение на полностью открытом диоде не превышает 0,5…0,7 В, то для приближенных расчетов диод рассматривают как вентиль: открыт — закрыт.
Анализ типовых ВАХ диодов показывает, что прямое напряжение Uпр на германиевом диоде почти в два раза меньше, чем на кремниевом, при одинаковых значениях прямого тока Iпр, а обратный ток Iобр кремниевого диода значительно меньше обратного тока германиевого при одинаковых обратных напряжениях Uобр. К тому же, германиевый диод начинает проводить ток при ничтожно малом прямом напряжении Uпр, а кремниевый – только при Uпр = 0,4…0,5 В.
К р- и n-областям кристалла привариваются или припаиваются металлические выводы, и вся система заключается в металлический, металлокерамический, стеклянный или пластмассовый корпус.
Одну из полупроводниковых областей кристалла, имеющую более высокую концентрацию примесей, а следовательно, и основных носителей заряда, называют эмиттером. Другую область, с меньшей концентрацией примесей, называют базой.
Виды полупроводниковых диодов
Диоды, предназначенные для преобразования переменного тока в постоянный, к быстродействию, емкости p-n-перехода и стабильности параметров которых обычно не предъявляют специальных требований, называют выпрямительными.
Выпрямительные диоды применяются в выпрямителях переменного тока. Выпрямительный диод представляет собой электронный ключ, управляемый приложенным к нему напряжением. При подаче Uпр ключ замкнут, при подаче Uобр ключ разомкнут.
Для выпрямительных диодов характерно, что они имеют малые сопротивления в проводящем состоянии и позволяют пропускать большие токи. Барьерная емкость их из-за большой площади p-n-переходов велика и достигает значений десятков пикофарад.
Германиевые выпрямительные диоды могут быть использованы при температурах, не превышающих 70-80 °С, кремниевые - до 120 - 150 °С, арсенид-галлиевые - до 150 °С. В настоящее время температурный диапазон существенно расширен.
Основные параметры выпрямительных диодов:
1. Максимально допустимое обратное напряжение диода Uобр max.
2. Средний выпрямленный ток диода Iвп ср.
3. Импульсный прямой ток диода Iпр и.
4. Средний обратный ток диода Iобр ср.
5. Среднее прямое напряжение диода при заданном среднем значении прямого тока Unp cp.
6. Средняя рассеиваемая мощность диода Рср д.
7. Дифференциальное сопротивление диода rдиф.
Импульсный диод – это диод с малой длительностью переходных процессов, предназначенный для работы в импульсных цепях. От выпрямительных диодов они отличаются малыми емкостями p-n-перехода (доли пикофарад) и рядом параметров, определяющих переходные характеристики диода. Уменьшение емкостей достигается за счет уменьшения площади p-n-перехода, поэтому допустимые мощности рассеяния у них невелики (30—40 мВт).
Импульсные диоды работают в различных электронных схемах в качестве электронного ключа.
В быстродействующих импульсных цепях широко используют диоды Шотки, в которых переход выполнен на основе контакта металл — полупроводник. В этих диодах отсутствуют процессы накопления и рассасывания зарядов в базе, их быстродействие зависит только от скорости процесса перезарядки барьерной емкости. Вольт-амперная характеристика диодов Шотки напоминает характеристику диодов на основе p-n-переходов. Отличие состоит в том, что прямая ветвь приложенного напряжения представляет почти идеальную экспоненциальную кривую, а обратные токи малы (доли-десятки нА). (Прямое напряжение Uпр » 0,4 В, что на 0,2 В меньше, чем у обычных диодов).
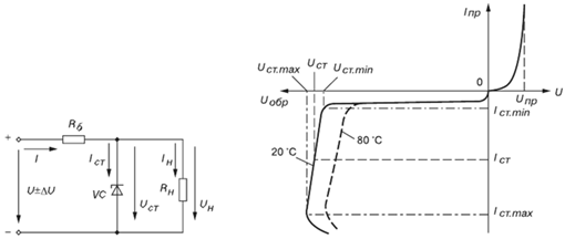
Стабилитроны или опорные кремниевые диоды предназначены для использования в параметрических стабилизаторах напряжения. Рабочим участком ВАХ стабилитрона является участок обратной её ветви, соответствующий области обратного электрического пробоя p-n-перехода и ограниченный минимальным и максимальным значениями тока.

Рисунок 2.6
Основными параметрами стабилитрона являются:
Uст = 3...180 В — напряжение на стабилитроне;
— динамическое сопротивление на участке
стабилизации;
Iст.min и Iст.max — минимальный и максимальный токи стабилизации (от 5 мА до 5 А);
ТКН % = (∆Uст / ∆T)×100 = 0,3…0,4 % / град — температурный коэффициент напряжения на участке стабилизации, характеризующий относительное изменение напряжения стабилизации, вызванное изменением температуры на 1 °С при постоянном токе, протекающем через стабилитрон.
Биполярные транзисторы
В настоящее время широко используют биполярные транзисторы с двумя p-n-переходами, к которым чаще всего и относят этот термин. Они состоят из чередующихся областей (слоев) полупроводника, имеющих электропроводности различных типов. В зависимости от типа электропроводности наружных слоев различают транзисторы р-n-р и n-р-n-типов.
Типовые структуры биполярных транзисторов, изготовленных различными методами, приведены на рисунке.

Рисунок 2.7 - Структура биполярного транзистора и его условно-графическое обозначение
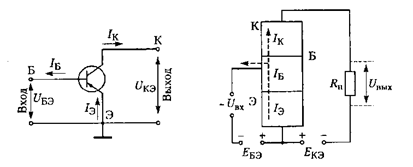
При подключении напряжений к отдельным слоям биполярного транзистора оказывается, что к одному переходу приложено прямое напряжение, к другому - обратное. При этом переход, к которому при нормальном включении приложено прямое напряжение, называют эмиттерным, а соответствующий наружный слой - эмиттером (Э); средний слой называют базой (Б). Второй переход, смещенный приложенным напряжением в обратном направлении, называют коллекторным, а соответствующий наружный слой - коллектором (К).

а - сплавного; б - эпитаксиально-диффузионного; в - планарного; г — мезатранзистора; 1 - база; 2 - эмиттер; 3 - коллектор (эпитаксиальная пленка); 4 - подложка
Рисунок 2.8 - Структуры транзисторов
Однотипность слоев коллектора и эмиттера позволяет при включении менять их местами. Такое включение называется инверсным. При инверсном включении параметры реального транзистора существенно отличаются от параметров при нормальном включении.
В зависимости от технологии изготовления транзистора концентрация примесей в базе может быть распределена равномерно или неравномерно. При равномерном распределении внутреннее электрическое поле отсутствует и неосновные носители заряда, попавшие в базу, движутся в ней вследствие процесса диффузии. Такие транзисторы называют диффузионными или бездрейфовыми.
При неравномерном распределении концентрации примесей в базе имеется внутреннее электрическое поле (при сохранении в целом электронейтральности базы) и неосновные носители заряда движутся в ней в результате дрейфа и диффузии, причем дрейф играет доминирующую роль. Такие транзисторы называют дрейфовыми. Понятие «диффузионный транзистор» отражает основные процессы, происходящие в базе, поэтому его не следует путать с технологическим процессом получения рn-переходов.
При изготовлении транзисторов эмиттер и коллектор выполняют низкоомными, а базу - относительно высокоомной (десятки - сотни Ом). При этом удельное сопротивление области эмиттера несколько меньше, чем области коллектора.
Работа биполярного транзистора основана на взаимодействии двух рn-переходов, которое обеспечивается тем, что толщина базы b выбирается меньше длины свободного пробега L (диффузионной длины) носителей заряда в этой области, то есть b << L (tcp существования пары электрон-дырка - время жизни, a L - расстояние, пройденное частицей за время ее жизни tcp).
Принцип работы биполярного транзистора рассмотрим на примере транзистора nрn-типа, для которого концентрация основных носителей заряда в n-области существенно выше, чем в р-области, то есть Nn >> Рр.
Для данной структуры (рисунок 2.9):
- Э (n-область) - будет инжектировать электроны в соседнюю р-область;
- К (n-область) — будет экстрактировать находящиеся в р-области электроны.
В равновесном состоянии наблюдается динамическое равновесие между потоками дырок и электронов, протекающими через каждый pn-переход, и результирующие токи равны нулю.

Рисунок 2.9 - Схема распределения токов в транзисторе nрn-типа
При подключении к электродам транзистора напряжений UЭБ и UКБ (рисунок 2.9) эмиттерный переход смещается в прямом направлении, а коллекторный - в обратном (активный режим работы). В результате через эмиттерный переход в область базы (р-область) будут инжектировать электроны (инжекцией дырок из р-области в n-область пренебрегаем, так как Nn>>Рр), образуя эмиттерный ток IЭ. Поток электронов, обеспечивающий ток IЭ через эмиттерный переход, показан светлой стрелкой.
Часть инжектированных в область базы электронов рекомбинируют с основными носителями заряда в этой области (дырками), образуя ток базы IБ. Другая часть инжектированных электронов, которая достигает коллекторного перехода, с помощью электрического поля, создаваемого напряжением UКБ, подвергается экстракции во вторую n-область транзистора - коллектор, образуя через переход коллекторный ток IК.
Уменьшение потока электронов через коллекторный переход, а следовательно и коллекторного тока, по сравнению с потоком дырок через эмиттерный переход можно учесть следующим соотношением:
(2.1)
где α = 0,95-0,99 - дифференциальный коэффициент передачи тока эмиттера.
Коэффициент α - это отношение соответствующих приращений коллекторного ∆IК и эмиттерного ∆IЭ токов, в связи с чем его более точное название будет звучать так — динамический коэффициент передачи тока эмиттера.
Однако на практике часто название динамический (обозначение ∆) опускают, подразумевая отношение значений токов на линейных участках их зависимости.
Через запертый коллекторный переход будет создаваться
обратный ток IКБобр (IКБ0), образованный потоком из n-области в р-область неосновных носителей заряда для
коллекторной области - дырок, который совместно с током
образует выходной ток транзистора:
и ток в базовом выходе:
С учетом формулы (2.1) получим значение тока коллектора:
(2.2)
Из соотношения
следует, что
(2.3)
Разность между эмиттерным и коллекторным токами в соответствии с первым законом Кирхгофа (как видно из рисунка 2.9) представляет собой базовый ток:
то есть
(2.4)
Заменив IЭ значением из формулы, получим:
или
(2.5)
Отсюда
или
(2.6)
Таким образом,
- дифференциальный коэффициент
передачи тока базы.
Из выражений
и
следует, что транзистор представляет собой
управляемый элемент, поскольку значение тока ІК зависит от значений токов ІЭ
и ІБ.
При этом значение тока ІК существенно зависит от эффективности взаимодействия двух рn-переходов, которые, в свою очередь, обеспечиваются соотношением b>>L, позволяющим уменьшить рекомбинацию инжектированных в область базы неосновных носителей заряда. Уменьшению рекомбинации инжектированных в область базы носителей заряда, а следовательно, повышению эффективности взаимодействия двух рn-переходов, способствует также меньшая концентрация основных носителей заряда в области базы по сравнению с концентрацией их в эмиттерной области.
Режимы работы биполярного транзистора
В зависимости от способа подключения pn-переходов транзистора к внешним источникам питания он может работать в режиме отсечки, насыщения или активном режиме.
При работе транзистора в активном режиме его эмиттерный переход включется в прямом, а коллекторный – в обратном направлении (рисунок 2.9). Активный режим используется в усилительных схемах, схемах генерирования, где транзистор выполняет функции активного элемента схемы.
Режим отсечки транзистора получается тогда, когда эмиттерный и коллекторный переходы подключены к внешним источникам в обратном направлении. Если эмиттерный и коллекторный pn-переходы подключить к внешним источникам в прямом направлении, транзистор будет находиться в режиме насыщения. Режимы отсечки и насыщения используются при работе транзисторов в ключевых режимах работы транзистора: режим отсечки соответствует состоянию «отключено», режим насыщения – «включено».
Схемы включения биполярного транзистора
В зависимости от того, какой электрод транзистора является общим для входного и выходного сигналов, различают три схемы включения транзистора (рисунок 2.10): с общей базой (ОБ); с общим эмиттером (ОЭ); с общим коллектором (ОК).
В этих схемах источники постоянного напряжения и резисторы обеспечивают режимы работы транзисторов по постоянному току, т. е. необходимые значения напряжений и начальных токов. Входные сигналы переменного тока создаются источниками uвх. Они изменяют ток эмиттера транзистора, а соответственно и ток коллектора. Приращения тока коллектора (рисунок 2.10, а, б) и тока эмиттера (рисунок 2.10, в) соответственно на резисторах RK и RЭ создадут приращения напряжений, которые и являются выходными сигналами Uвых. Параметры схем обычно выбирают так, чтобы Uвых было бы во много раз большое вызвавшего его приращения Uвх (рисунок 2.10, а, б) или близко к нему (рисунок 2.10, в).

а)

б)

в)
а – ОБ; б – ОЭ; в – ОК
Рисунок 2.10 – Схемы включения биполярных транзисторов
Рассмотрим особенности каждой схемы.
На рисунке 2.10, а представлена схема с общей базой.
В этой схеме:
Iвхб = IЭ , Iвыхб = IК = aIЭ , Uвхб = UЭБ , Uвыхб = UКБ = UН, 
Рассмотрим усилительные свойства данной схемы.
Коэффициент передачи тока (коэффициент усиления тока)
(2.7)
Следовательно, схема с общей базой не обладает усилением по току.
Коэффициент усиления напряжения
(2.8)
Поскольку отношение
значительно
больше входного сопротивления, схема с общей базой способна усиливать входное
напряжение.
Коэффициент усиления мощности определим как отношение мощностей
. (2.9)
Из полученного выражения также следует, что схема с
общей базой обладает некоторым усилением по мощности, так как
.
Отсутствие усиления тока, малый коэффициент усиления по мощности, а также
небольшое входное сопротивление ограничивают применение данной схемы. Малое
входное сопротивление не позволяет осуществлять каскадное включение, так как
малое входное сопротивление последующего каскада оказывает шунтирующее действие
на выход предыдущего каскада, в результате чего резко снижается усиление всего
усилителя.
На рисунке 2.10,б представлена схема с общим эмиттером. В данной схеме
Iвхэ = IБ = IЭ(1-a) , Iвыхэ = aIЭ, Входное сопротивление примерно на два порядка больше, чем в схеме с общей базой, так как
. (2.10)
Схема с общим эмиттером обладает усилением по току
. (2.11)
Коэффициент умножения напряжения такой же, как и в схеме с ОБ:
. (2.12)
Схема с ОЭ имеет наибольший коэффициент усиления мощности
. (2.13)
Данная схема имеет широкое практическое применение.
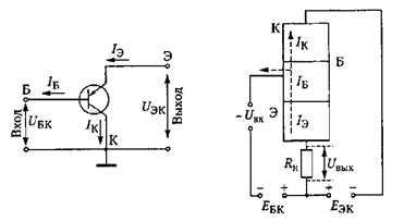
Схема с общим коллектором представлена на рисунке 2.10, в.
В этой схеме входным током является, как и в схеме с общим эмиттером, базовый ток
Iвхк = IБ = IЭ(1-a).
Выходным током служит ток эмиттера Iвыхк = IЭ. Схема с общим коллектором обладает наибольшим усилением по току:
. (2.14)
Входное сопротивление схемы с общим коллектором значительно превышает входное сопротивление рассмотренных выше схем:
. (2.15)
Схема с общим коллектором не обладает усилением напряжения, так как
. (2.16)
Поскольку RН>>Rвxб, можно считать, что Кuк»1.
Схему с общим коллектором часто называют эмиттерным повторителем, так как нагрузка включена в цепь эмиттера. Коэффициент усиления напряжения равен примерно единице и выходное напряжение совпадает по фазе с входным.
Эмиттерный повторитель широко используют как каскад согласования сопротивлений между отдельными каскадами или между выходом усилителя и его нагрузкой. Коэффициент усиления мощности в схеме с общим эмиттером примерно равен коэффициенту усиления тока:
. (2.17)
Из сказанного следует, что любая из схем включения обладает усилением мощности. Это подтверждает то, что транзистор является активным (усилительным) прибором.
Важнейшие параметры основных схем включения транзисторов приведены ниже и в таблице 2.1.
- Схема с ОБ: малое сопротивление на входе; отсутствие усиления по току; большое усиление по напряжению и мощности.
- Схема с ОЭ: сопротивление по входу больше, чем в схеме с ОБ; усиливает сигнал по току, напряжению и мощности.
- Схема с ОК: сопротивление по входу больше, чем в схемах с ОБ и ОЭ; усиливает сигнал по току и мощности.
Таблица 2.1 - Параметры основных схем включения биполярного транзистора
|
Параметр |
Схема с ОЭ |
Схема с ОБ |
Схема с ОК |
|
KI |
Десятки-сотни единиц |
Немного меньше единицы |
Десятки-сотни единиц |
|
KU |
Десятки-сотни единиц |
Десятки-сотни единиц |
Немного меньше единицы |
|
КР |
Сотни-десятки тысяч единиц |
Десятки-сотни единиц |
Десятки-сотни единиц |
|
Rвх |
Сотни Ом- десятки кОм |
Единицы- десятки Ом |
Десятки- сотни кОм |
|
Rвых |
Единицы- десятки кОм |
Сотни кОм- единицы МОм |
Сотни Ом- единицы кОм |
Большое значение входного сопротивления схемы с ОК предопределяет широкое применение на практике эмиттерного повторителя в качестве согласующего устройства.
Анализ данных свидетельствует об универсальности схемы с ОЭ, обеспечивающей усиление транзистора как по току, так и по напряжению. Этим объясняется широкое применение указанной схемы включения транзистора в нелинейных цепях.
Высокие значения β обусловливают также усилительное свойство транзистора по току, заключающееся в возможности малыми входными токами (током базы) управлять существенно большими токами (током IK = βIБ) выходной (нагрузочной) цепи.
Характеристики и основные параметры биполярных транзисторов
Биполярный транзистор характеризуется параметрами, соответствующими следующим его режимам и свойствам:
- режим постоянного тока;
- частотные свойства;
- режим малого сигнала;
- режим большого сигнала;
- предельные режимы.
Параметрами постоянного тока, определяющими значения неуправляемых токов через р-n-переходы транзисторов, являются следующие:
- обратный ток коллектора IКБ0 — ток через переход КБ при разомкнутой цепи эмиттера и заданном напряжении UКБ (схема включения биполярного транзистора с ОБ);
- обратный ток эмиттера IЭБ0 — ток через переход ЭБ при разомкнутой цепи коллектора и заданном напряжении на эмиттере UЭБ (схема включения биполярного транзистора с ОБ);
- обратный ток коллектор-эмиттер IКЭ0 — ток в цепи коллектора при непосредственно замкнутой цепи эмиттер-база и заданном напряжении на коллекторе UКЭ (схема включения биполярного транзистора с ОЭ).
Частотные свойства характеризуются следующими параметрами:
Предельная частота коэффициента передачи тока — это частота, на которой модуль коэффициента передачи тока уменьшится в Ö2 раз (до 0,707 своего значения на НЧ):
- fh21Б (fa ) - для схемы с общей базой (ОБ);
- fh21Э (fb ) - для схемы с общим эмиттером (ОЭ).
Предельная частота ограничивает ту область частот, в пределах которой можно пренебречь частотной зависимостью параметров (на более высоких частотах происходит отставание по фазе переменной составляющей тока IК от переменной составляющей тока IЭ).
Граничная частота коэффициента передачи тока fгр — это частота, на которой ½h21э½ = 1.
Предельные и граничные частоты связаны соотношением:
fгр » 0,8 fh21Б .
Максимальная частота генерации fmax (МГц) — наибольшая частота, на которой транзистор способен генерировать колебания в схеме автогенератора при оптимальной обратной связи.
Параметры в режиме большого сигнала характеризуют работу транзисторов в режимах, при которых токи и напряжения между выводами транзистора меняются в широких пределах.
К параметрам в режиме больших сигналов относят:
1. Статический коэффициент передачи тока (для схемы с ОЭ): h21Э - определяется как отношение постоянного тока коллектора к току базы (для схемы с ОЭ h21э = IК/IБ при заданном напряжении UКЭ).
2. Напряжение насыщения UБЭнас; напряжение насыщения UКЭнас.
Параметры предельных режимов рекомендуется не превышать, но при некоторых еще обеспечивается заданная надежность:
- UKБтах — постоянное обратное напряжение коллектор-база;
- UБЭтах — постоянное напряжение база-эмиттер;
- UKЭтах — постоянное напряжение коллектор-эмиттер;
- РКтах — мощность, рассеиваемая коллектором (РКтах = IКUКЭ);
- IКтaх — постоянный ток коллектора (а также IБтaх, IЭтaх);
- tКтах — температура коллекторного перехода.
Полевые транзисторы
Использование биполярных транзисторов, в ряде случаев затруднено, так как эти приборы управляются током, т. е. потребляют заметную мощность от входной цепи. Это препятствует их использованию при подключении к маломощным источникам входного сигнала.
Указанного недостатка лишены полевые транзисторы – полупроводниковые приборы, у которых управление выходным током осуществляется электрическим полем, создаваемым входным напряжением.
Полевые транзисторы (Field-Effect Transistor, FET) бывают двух типов: полевые транзисторы с управляющим р-n переходом (Junction FET, JFET) и полевые транзисторы с изолированным затвором (Insulated Gate FET, IGFET). Транзисторы последнего типа больше известны как МОП-транзисторы, при этом название указывает на их конструкцию: металл-окисел-полупроводник (Metal- Oxide-Semiconductor FET, MOSFET).

Рисунок 2.11 - Разновидности полевых транзисторов
Полевой транзистор с р-n переходом
Полевой транзистор, в котором управление осуществляется с помощью изменения обратного напряжения, подаваемого на управляющий p-n-переход, состоит из токопроводящего канала n-типа и двух выводов, которые получили названия исток и сток.
Слой с проводимостью p-типа называется каналом, он имеет два вывода во внешнюю цепь: С – сток и И – исток. Слои с проводимостью типа n, окружающие канал, соединены между собой и имеют вывод во внешнюю цепь, называемый затвором З.


Рисунок 2.12 - Схема включения ПТ в цепь
К истоку подсоединяют плюс, к стоку - минус источника напряжения, к затвору - минус источника.
При управляющем напряжении UЗИ = 0 и подключении источника напряжения между стоком и истоком UСИ по каналу течет ток, который зависит от сопротивления канала. Напряжение UСИ равномерно приложено по длине канала, это напряжение вызывает обратное смещение p-n-перехода между каналом p-типа и n-слоем, причем наибольшее обратное напряжение на p-n-переходе существует в области, прилегающей к стоку, а вблизи истока p-n-переход находится в равновесном состоянии. При увеличении напряжения UСИ область двойного электрического слоя p-n-перехода, обедненная подвижными носителями заряда, будет расширяться.
Особенно сильно расширение перехода проявляется вблизи стока, где больше обратное напряжение на переходе. Расширение p-n-перехода приводит к сужению проводящего ток канала транзистора, и сопротивление канала возрастает. Из-за увеличения сопротивления канала при росте UСИ стоковая характеристика полевого транзистора имеет нелинейный характер. При некотором напряжении UСИ границы p-n-перехода смыкаются и рост тока IC при увеличении UСИ прекращается.

Рисунок 2.13
При приложении положительного напряжения к затвору UЗИ>0 p-n-переход еще сильнее смещается в область обратного напряжения, ширина перехода увеличивается. В результате канал, проводящий ток, сужается и ток IC уменьшается. Таким образом, увеличивая напряжение UЗИ, можно уменьшить IC.
При определенном UЗИ, называемом напряжением отсечки, ток стока практически не протекает.
Отношение изменения тока стока ΔIC к вызвавшему его изменению напряжения между затвором и истоком ΔUЗИ при UСИ = const называется крутизной:
S=ΔIC / ΔUЗИ при ΔUСИ = const.
Ток стока полевого транзистора сильно зависит от температуры. При нагреве ток стока при UЗИ=const может изменяться различным образом – как увеличиваться, так и уменьшаться.
Предельные частоты, на которых могут работать полевые транзисторы, весьма высоки. Основным ограничительным фактором здесь является емкость p-n-перехода, площадь которого сравнительно велика. Выпускаемые промышленностью полевые транзисторы с p-n-переходом способны работать в мегагерцевом диапазоне частот.
Полевые транзисторы с изолированным затвором
Полевые транзисторы с изолированным затвором имеют структуру, состоящую из металла, диэлектрика и полупроводника, поэтому их часто называют МДП-транзисторами, или МОП-транзисторами (металл — оксид — полупроводник). Существуют две разновидности
МДП-транзисторов: с индуцированным и со встроенным каналами.

Рисунок 2.14
В качестве полупроводника используют кремний, поэтому диэлектриком служит слой двуокиси кремния SiO2, который создается на поверхности кристалла кремния путем высокотемпературного окисления. На этот слой диэлектрика наносится металлическая пленка — затвор.

Рисунок 2.15 - Упрощенные разрезы МДП-транзисторов с n-каналами
Наибольшее распространение получили МДП-транзисторы со встроенным n- и индуцированным p-каналом.
В МДП-транзисторе с индуцированным каналом при напряжении на затворе U3 = 0 канал отсутствует, и соответственно при приложении разности потенциалов между истоком и стоком UС ток стока также будет равен нулю.
Напряжение U0, начиная с которого образуется канал (IC > 0), принято называть напряжением отсечки, или пороговым.
Для МДП-транзистора с индуцированным n-каналом U0, всегда имеет положительное значение, а с индуцированным р-каналом - отрицательное.
При UЗ > U0 в МДП-транзисторах с n-каналом увеличение напряжения на затворе будет приводить к уменьшению сопротивления канала за счет обогащения поверхности электронами. Ток IС при этом будет увеличиваться. Такой режим работы МДП-транзистора принято называть режимом обогащения.
МДП-транзистор с индуцированным каналом может работать только в режиме обогащения.

Рисунок 2.16 - Cток-затворная ВАХ
Кривая 1 для МДП-транзистора с индуцированным n-каналом.
Кривая 2 для МДП-транзистора со встроенным каналом. При UЗ = 0 канал присутствует и при UС > 0 ток IС > 0, т.е. протекает ток стока.
При увеличении положительного напряжения на затворе МДП-транзистора со встроенным n-каналом область канала будет обогащаться электронами, сопротивление канала уменьшаться и ток стока возрастать (режим обогащения).
При увеличении же отрицательного напряжения на затворе канал обедняется и IС соответственно уменьшается. Этот режим работы МДП-транзистора принято называть режимом обеднения.
Таким образом, МДП-транзистор со встроенным каналом может работать в режимах и обогащения и обеднения.
Схемы включения полевых транзисторов
В зависимости от того, какой из электродов полевого транзистора подключен к общему выводу, различают схемы:
с общим истоком и входом на затвор;
с общим стоком и входом на затвор;
с общим затвором и входом на исток.
По аналогии с биполярными транзисторами, где за типовую принята схема с общим эмиттером, для полевых транзисторов типовой является схема с общим истоком.
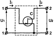
Схема с общим истоком (ОИ)

Рисунок 2.17
Наиболее часто применяемая схема включения с общим истоком (ОИ), аналогичная схеме с общим эмиттером. Дает очень большое усиление тока и мощности и переворачивает фазу напряжения при усилении.
Схема с общим стоком (ОС)
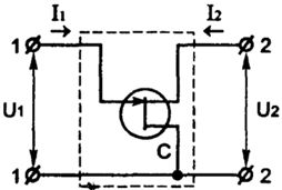
Каскад по схеме ОС подобен эмиттерному повторителю и может быть назван истоковым повторителем.

Рисунок 2.18
Каскад по схеме ОС подобен эмиттерному повторителю и может быть назван истоковым повторителем.
Коэффициент усиления каскада по напряжению близок к единице. Выходное напряжение по значению и фазе повторяет входное.
Сравнительно небольшое выходное сопротивление и повышенное входное.
Схема с общим затвором (ОЗ)

Рисунок 2.19
Схема с общим затвором аналогична схеме с общей базой. Она не дает усиления тока, и поэтому усиление мощности в ней во много раз меньше, чем в схеме ОИ. Входное сопротивление данной схемы мало, так как входным током является ток стока. Фаза напряжения при усилении не переворачивается.
Основные параметры полевых транзисторов
1. Начальный ток стока IС.нач — ток стока при напряжении между затвором и истоком, равном нулю, и напряжении на стоке, равном или превышающем напряжение насыщения.
2. Остаточный ток стока IС.ост — ток стока при напряжении между затвором и истоком, превышающем напряжение отсечки.
3. Ток утечки затвора I3.ут — ток затвора при заданном напряжении между затвором и остальными выводами, замкнутыми между собой.
4. Напряжение отсечки UЗИ.отс — напряжение между затвором и истоком транзистора с р-n-переходом или изолированным затвором, работающего в режиме обеднения, при котором ток стока достигает заданного низкого значения (обычно 10 мкА).
5. Пороговое напряжение UЗИ.пор — напряжение между затвором и истоком транзистора с изолированным затвором, работающего в режиме обогащения, при котором ток стока достигает заданного низкого значения (обычно 10 мкА).
6. Крутизна характеристик S — отношение изменения тока стока к изменению напряжения на затворе при коротком замыкании по переменному току на выходе транзистора в схеме с общим истоком. Значение S зависит от рабочей точки транзистора. Измеряют S на низкой частоте (обычно 50... 1500 Гц).
Максимально допустимые параметры определяют значения конкретных режимов ПТ, которые не должны превышаться при любых условиях эксплуатации, при которых обеспечивается заданная надежность.
К максимально допустимым параметрам относятся:
максимально допустимое напряжение затвор — исток U3И.max, затвор — сток U3C.max, сток — исток UСИ.тах,
максимально допустимое напряжение сток — подложка UСП.max, исток — подложка UИП.max, затвор — подложка U3П.max.
Максимально допустимый постоянный ток стока IС.max, максимально допустимый прямой ток затвора IЗ(пр)тах, максимально допустимая постоянная рассеиваемая мощность Pmax.
Задания для СРС
1. Электропроводность, основные свойства и характеристики полупроводников.
2. Классификация полупроводниковых диодов.
3. Напишите уравнение вольт-амперной характеристики диодов.
4. Охарактеризуйте разновидности пробоя полупроводникового диода.
5. Основные параметры импульсных диодов, стабилитронов.
6. Охарактеризуйте режимы работы биполярного транзистора.
7. Что такое коэффициенты передачи токов и как они зависят от тока эмиттера?
8. Нарисуйте схему включения и диаграмму работы транзистора в усилительном режиме.
9. Поясните, как определяются h-параметры по характеристикам транзистора.
10. Нарисуйте и объясните управляющие и выходные характеристики полевого транзистора.
11. Покажите, как определяются дифференциальные параметры полевого транзистора.
12. Нарисуйте и объясните временные диаграммы токов и напряжений при работе полевого транзистора в импульсном режиме.